Yaskawa Σ-V 系列 SGDV 伺服驱动器配套
产品范围与规格
适用产品
驱动器:SGDV系列(FE100V/AE200V/DE400V)
电机:SGMJV、SGMAV、SGMPS、SGMGV、SGMSV、SGMCS
功率:0.05kW–15kW,覆盖小功率到中大功率
电压与电流规格(核心表格)
系列 电压 连续电流 最大电流 再生电阻
SGDV-FE 单相 100V 0.66–2.8A 2.1–9.3A 外置
SGDV-AE 三相 200V 0.66–78A 2.1–170A 内置 / 外置
SGDV-DE 三相 400V 1.9–37.2A 5.5–85A 外置
基本性能
控制方式:IGBT-PWM 正弦波驱动
编码器:13/17/20 位增量 / 绝对值
调速范围:1:5000
速度波动率:±0.01%(额定转速)
工作温度:0–55℃
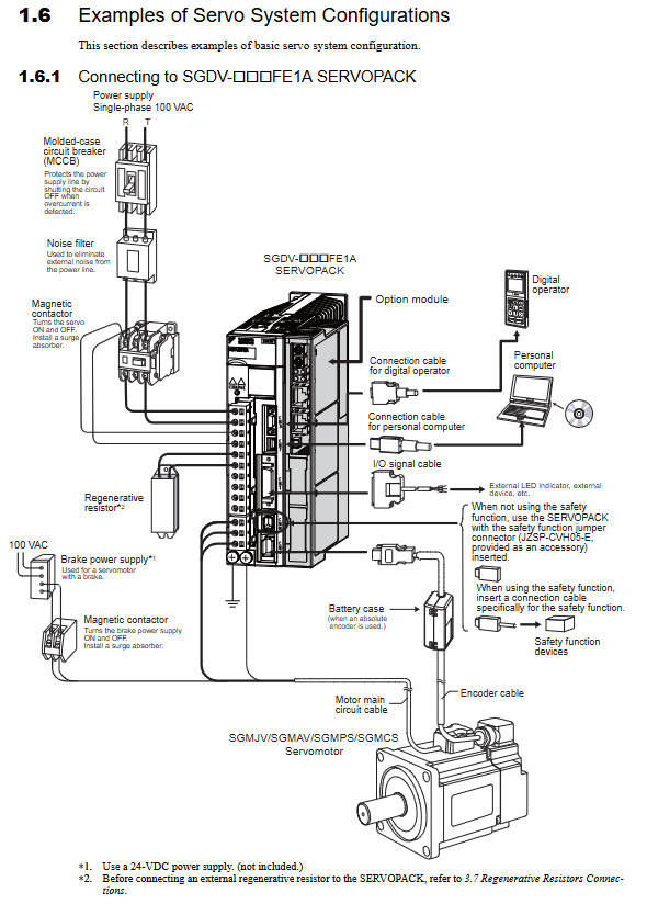
系统结构与接口
主要接口
CN1:I/O 信号(Servo-ON、P-OT/N-OT、/COIN 等)
CN2:编码器连接线
CN3:数字操作器 JUSP-OP05A-1-E
CN5:模拟监控(速度 / 转矩)
CN7:USB 通讯(SigmaWin+)
CN8:安全功能(HWBB1/2、EDM)
安全核心
HWBB(硬接线基极封锁):双路输入,强制切断输出
EDM:安全回路监控输出
标准:EN954-1、IEC61508 SIL2
操作模式(三大核心)
1. 参数模式(Pn)
基础设定:控制模式、电子齿轮、加减速
增益调整:位置环、速度环、转矩限幅
保护设定:过流、过压、过载阈值
2. 功能模式(Fn)
Fn002:JOG 点动运行
Fn003:原点搜索 Z-Search
Fn005:参数初始化
自动调谐、滤波设定、报警清除
3. 监控模式(Un)
Un000:实时电机转速
Un001:转矩指令
Un002:位置偏差
Un008:I/O 状态

接线规范(强制安全)
主回路:L1/L2/L3 输入,U/V/W 接电机
CHARGE 灯灭后才可接触端子(断电延时)
接地:接地电阻≤100Ω
制动电机:独立24VDC/90VDC电源
安全功能:不使用时必须短接 CN8
报警与保护
显示格式:A.xxx 报警码
常见故障:
A.00 过流
A.10 过压
A.30 过载
A.E6 编码器异常
处理:记录代码→排查接线 / 负载 / 参数→复位
维护周期
部件 更换周期
冷却风扇 4–5 年
主电容 7–8 年
电解电容 5 年
年度点检 外观、螺丝、散热、粉尘
关键问题
问题 1:Σ-V 伺服的三大操作模式(Pn/Fn/Un)分别负责什么,现场最常用哪些功能?
答案:
Pn(参数):控制模式、电子齿轮、增益、保护等核心设定。
Fn(功能):现场调试用,JOG 点动、原点搜索、参数初始化、自动调谐最常用。
Un(监控):实时查看转速、转矩、位置偏差、I/O 状态,用于排查故障。
问题 2:SGDV 驱动器的安全功能 CN8 接口有什么作用?不使用安全功能时必须怎么处理?
答案:
CN8 用于HWBB 硬接线基极封锁,实现急停、安全门等最高等级安全切断。
不使用安全功能时,必须安装出厂附带的短接插头,否则驱动器无法开启 Servo-ON。
问题 3:Σ-V 伺服断电后为什么不能立即操作?CHARGE 灯的作用是什么?
答案:
驱动器内部大容量电容会残留高压,直接接触有触电风险。
CHARGE 灯亮表示内部仍带电,必须等待灯完全熄灭(通常 5 分钟以上),才能进行接线、拆卸。
