OMRON 3G3SV 系列书本式全数字低噪声变频器
产品基础信息
产品全称:OMRON SYSDRIVE 3G3SV 书本式全数字低噪声变频器
电压等级:200V 级(单相 / 三相)
功率覆盖:0.2kW / 0.4kW / 0.75kW / 1.5kW / 2.2kW / 3.7kW
型号规则:3G3SV-Bxx(三相)、3G3SV-BBxx(单相)
显示:3 位 7 段 LED,可显示频率 / 电流 / 故障码
操作方式:外部端子(默认)、可选数字操作器
安装规范
环境要求
环境温度:-10℃ ~ +50℃
防护:防潮、防尘、防腐蚀、无直射阳光
安装方向:垂直安装,保证散热
间距:上下至少120mm,左右至少10mm
安装尺寸(简表)
功率段 宽度 高度 深度
0.2~1.5kW 70~72mm 250mm 174~230mm
2.2~3.7kW 150mm 250mm 230mm
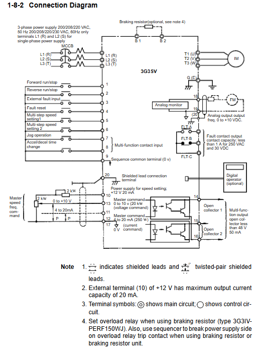
接线说明
1. 主回路端子
端子 功能
L1(R)/L2(S)/L3(T) 电源输入(单相只接 L1/L2)
T1(U)/T2(V)/T3(W) 输出接电机
B1/B2 制动电阻连接
G(E) 接地端子
2. 控制回路端子(核心)
端子号 功能
1 正转运行 / 停止
2 反转运行 / 停止
3 外部故障输入
4 故障复位
5/6 多段速设定 1/2
11 4~20mA 频率给定
13 0~10V 频率给定
18 模拟频率表输出(0~10V)
19 模拟输出公共端
3. 接线安全要求
断电后待CHARGE 灯熄灭再操作
严禁将电源接到输出端 T1/T2/T3
接地电阻 **≤100Ω**,独立接地最佳
动力线与控制线分开布线

运行操作
两种控制模式
外部端子控制(默认)
由外部开关、电位器控制启停与频率
参数:no-01 = xx00
数字操作器控制
由面板 RUN/STOP/FWD/REV 操作
参数:no-01 = 0011
试运行步骤
检查接线无误,断开负载
上电,设置电机额定电流
启动,检查转向、声音、振动
调整加减速时间(默认10 秒)
核心参数设置
常用参数简表
参数号 功能 默认值 范围
01 运行模式选择 0000 —
02 最大频率 60.0Hz 50~400Hz
04 基底频率 60.0Hz 0.1~400Hz
09 加速时间 1 10.0s 0~600s
10 减速时间 1 10.0s 0~600s
17 点动频率 6.0Hz 0~400Hz
19 电机额定电流 按机型 10%~120% 额定
22 频率给定增益 1.00 —
27 停止时直流制动时间 0.5s 0~5s
高级功能
9 段多段速:端子 5/6/7 组合设定
S 曲线加减速:抑制机械冲击
频率跳变:避开共振点
速度搜寻:停电恢复再启动
保护与故障诊断
保护功能
OC:过流(>200% 额定)
OV:过压(直流>410V)
UV:欠压(直流<210V)
OH:散热器过热(>90℃)
GF:接地故障
OL1/OL2:电机 / 变频器过载
OL3:过转矩检测
CPF:控制回路故障
故障处理原则
记录故障代码
检查负载、接线、参数
外部复位或断电重启
重复故障需返厂维修
维护与检查
定期检查项目
端子螺丝紧固力矩4~6kg·cm²
冷却风扇寿命约20000 小时
滤波电容有无鼓包、漏液
环境清洁,无粉尘油污
保养要求
断电并确认 CHARGE 灯灭后方可操作
不可做耐压测试
风扇故障立即更换
关键问题
问题 1:3G3SV 变频器有哪两种控制方式?如何切换?
答案:
外部端子控制(出厂默认):由外部按钮、电位器控制;
数字操作器控制:由面板按键直接控制。
切换方法:进入参数no-01,设置为0011即可切换为面板控制。
问题 2:3G3SV 主回路接线最危险的错误是什么?会造成什么后果?
答案:最危险错误是将交流电源接到变频器输出端 T1/T2/T3。后果:会直接烧毁变频器内部功率模块,无法修复,只能整机更换。
问题 3:变频器出现 OC 过流故障,常见原因与处理方法是什么?
答案:常见原因:
输出短路、接地;
加减速时间太短;
负载过重、电机堵转;
变频器与电机容量不匹配。
处理方法:
检查电机与电缆绝缘;
延长加减速时间(参数 09/10);
减轻负载或放大变频器容量;
排除短路后复位重启。
