Pro-face GP-370 系列人机界面(HMI)
产品基础信息
产品系列:GP-370 Series(GP250 升级款)
型号:
GP370-LGxx-24V:单色 LCD
GP370-SCxx-24V:彩色 STN LCD(8 色)
认证:UL/c-UL、CE,符合UL508、UL1604
核心规格参数
电气规格
项目 参数
输入电压 DC20.4–27.6V
功耗 ≤20W(典型 10W)
绝缘电阻 ≥20MΩ(DC500V)
耐压 AC1000V/1min
环境与结构
项目 参数
工作温度 0–50℃
工作湿度 20–85% RH(无凝露)
防护等级 IP65f(防尘、防水喷射、防油)
尺寸 170.5×138×57mm
重量 <900g
显示与触摸
项目 参数
分辨率 320×240 像素
背光 CFL,寿命20000 小时
触摸 16×12 矩阵,1/2 点触摸
时钟精度 ±40 秒 / 月
接口
串行:RS-232C/RS-422,波特率2400–38400bps
工具口:用于下载、条码枪、内存加载
存储:1MB FLASH EPROM,最多320 画面
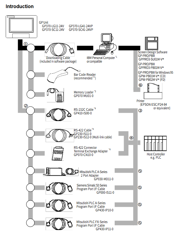
系统结构与配件
核心组成:GP 主机、编程软件GP-PRO/PB III、PLC、通讯线缆
连接方式:
1:1:1 台 HMI→1 台 PLC
n:1:多台 HMI→1 台 PLC
标准配件:安装支架、密封垫圈、操作指南
可选配件:保护膜、背光、条码阅读器、打印机

安装与接线规范
安装要求
面板开孔:156×123.5mm
四周间距:≥100mm保证散热
面板厚度:1.6–5.0mm
安装倾斜:≤30°
接线要求
断电接线,严禁带电操作
接地:独立接地最佳,接地电阻<100Ω
线缆:动力线与信号线分离,屏蔽线接地
端子扭矩:0.5–0.6N·m
操作模式(离线 / 运行)
离线模式(Off-line Mode)
进入:开机 10 秒内按左上角,或强制复位
菜单:初始化、画面传输、自诊断、运行
运行模式(RUN Mode)
开机自动进入,与 PLC 实时通讯
10 秒内按左上角可切回离线
初始化设置(核心)
系统环境:待机时间、蜂鸣器、密码(0–9999)
串口设置:波特率、数据位、校验、通讯格式
PLC 设置
1:1:系统区起始地址、单元号
n:1:站号(0–15,不可重复)、网络地址
其他:内存初始化、时间日期、开机画面、字体
自诊断功能
检测项目包括:
显示画面、触摸面板、内部存储、串口、工具口
结果显示OK/NG,辅助快速定位硬件故障
故障与错误处理
典型故障
无显示:检查供电、线缆、背光
不通讯:协议、波特率、接线、终端电阻
触摸无效:校准、设置、硬件故障
常见错误码
SYSTEM ERROR:系统故障
PLC NOT CONNECTED:PLC 未连接
ILLEGAL ADDRESS:地址重叠
CLOCK SETUP ERROR:时钟电池耗尽
维护与保养
清洁:中性清洁剂,禁止有机溶剂
定期检查:温度、湿度、电压、接线、密封垫
背光更换:型号GP370-BL00-MS,断电戴手套操作
时钟电池:不可自行更换,联系代理商
关键问题
问题 1:GP-370 进入离线模式有哪两种方法?密码作用是什么?
答案:
方法①:开机10 秒内触摸屏幕左上角;
方法②:强制复位后按OFFLINE。
密码(0–9999)用于保护初始化设置,防止误修改参数与内存初始化。
问题 2:GP-370 的 1:1 与 n:1 通讯方式区别是什么?站号设置有何要求?
答案:
1:1:1 台 HMI 直连 1 台 PLC,配置简单;
n:1:多台 HMI 共用 1 台 PLC,通过令牌通讯。
站号必须在0–15之间,同一网络内不可重复,否则报站号重复错误。
问题 3:GP-370 无显示故障应按什么流程排查?
答案:
检查DC24V 供电是否正常;
确认电源灯是否亮起,线缆是否接好;
检查是否已下载画面数据;
进入离线模式看是否显示,判断是屏幕还是系统问题;
检查背光是否损坏,必要时更换。
