MEGGITT TQ 422/TQ 432/EA 402/IQS 450 接近测量系统
Meggitt TQ 422/TQ 432/EA 402/IQS 450 接近测量系统,核心由TQ 422/TQ 432 非接触式传感器、EA 402 延长电缆和IQS 450 信号调理器组成,基于涡流原理实现运动机械部件相对位移的无接触测量,支持1m/5m/10m系统总长配置,测量范围为2mm 或 4mm,输出电压(-2.4~-18.4V)或电流(-15.5~-20.5mA) 信号,具备IP68 防护等级、100bar 耐压、-25~+140℃工作温度及防爆认证(Ex i/Ex nA),适用于潜水泵、水轮机等高压场景。
系统核心组成
传感器(TQ 422/TQ 432)
结构差异:TQ 422 带柔性不锈钢软管,TQ 432 无软管(反向安装专用)
材质:传感器头为 PEEK(聚醚醚酮),主体为不锈钢(1.4435)
电缆:FEP 包覆 70Ω 同轴电缆(外径 3.6mm),带自锁微型同轴连接器
防护:传感器头部及集成电缆防护等级IP68,支持动态弯曲半径 75mm、静态 50mm
延长电缆(EA 402)
功能:延长系统总长,支持 0.1~8.8m 长度配置
防护选项:柔性不锈钢软管(机械防护)、FEP 护套(耐化学腐蚀)
连接器:两端分别为自锁微型同轴插头(公)和插座(母),耐温 200℃
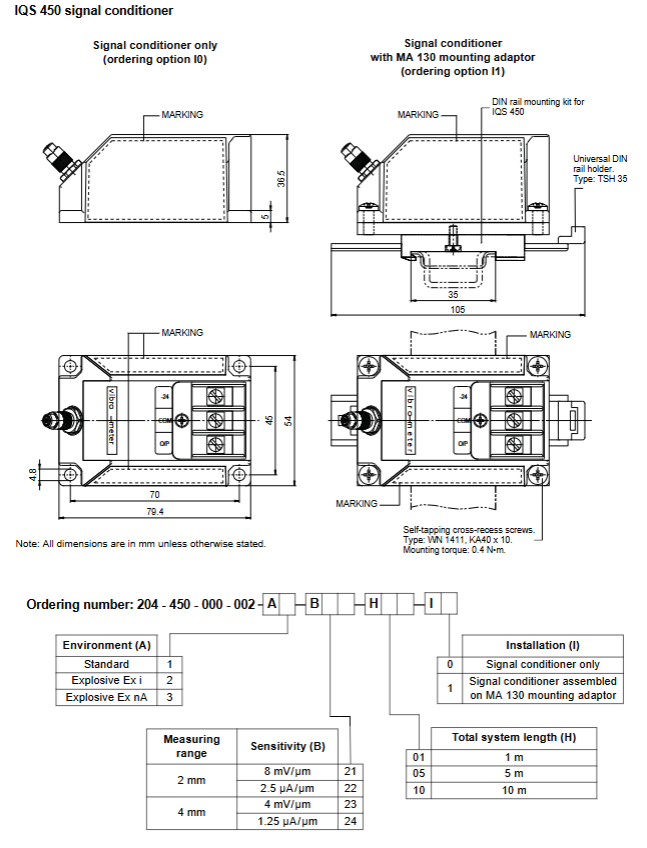
信号调理器(IQS 450)
功能:提供高频驱动信号,解调传感器输出,转换为标准电压 / 电流信号
材质:注塑铝外壳,防护等级IP40
安装:支持 M4 螺钉固定或 MA 130 适配器 DIN 导轨安装(TSH 35 型)
配套配件
机械配件:ABA 15x/17x 工业外壳、IP 172 互连保护器、JB 118 接线盒
安装配件:MA 130 安装适配器、KS 107 柔性导管、SG 1xx 电缆引线

核心技术参数
测量性能
| 参数 | 规格详情 |
| 测量范围 | 2mm(B21/B22 选项)、4mm(B23/B24 选项) |
| 灵敏度 | B21:8mV/µm;B22:2.5µA/µm;B23:4mV/µm;B24:1.25µA/µm |
| 输出信号 | 电压输出(3 线):-2.4~-18.4V(动态范围 16V);电流输出(2 线):-15.5~-20.5mA(动态范围 5mA) |
| 频率响应 | DC~20kHz(-3dB) |
| 线性度 | 参考第 4 页性能曲线,典型间隙误差 ±50µm |
| 元件互换性 | 系统所有组件均可互换 |
环境特性
| 组件 | 温度范围 | 耐压等级 | 振动 / 冲击 |
| 传感器 | 工作:-25~+140℃(漂移 < 5%);Ex 区域:-40~+195℃ | 传感器头:100bar;带软管组件:10bar;无软管组件:1bar | 振动:10~500Hz,5g 峰值;冲击:15g 峰值(11ms 半正弦波) |
| 信号调理器 | 工作:-35~+85℃;存储:-40~+85℃ | - | 振动:10~55Hz,2g 峰值;冲击:15g 峰值(11ms 半正弦波) |
| 电缆 / 连接器 | -40~+200℃ | - | - |
系统总长配置
支持总长:1m、5m、10m(通过集成电缆 + 延长电缆组合实现)
组合示例:1m=1m 集成电缆;5m=1m 集成 + 4m 延长或 5m 集成电缆;10m=1m 集成 + 9m 延长等
最小总长:1m 系统≥0.9m;5m 系统≥4.4m;10m 系统≥8.8m(需电气微调优化性能)
认证与安全特性
防爆认证
| 防护类型 | 适用区域 | 认证详情 |
| Ex i(本质安全) | 欧洲:Zone 0/1/2;北美:Class I, Div.1/2 | EC 证书:LCIE 11 ATEX 3091 X;IECEx 证书:IECEx LCI 11.0061X;CSA US 证书:1514309 |
| Ex nA(无火花) | 欧洲:Zone 2;北美:Class I, Div.2 | EC 证书:LCIE 11 ATEX 1010 X;IECEx 证书:IECEx LCI 11.0063X;CSA US 证书:1514309 |
供电要求
电压输出(3 线):供电电压 - 20~-32V,电流 - 13mA±1mA(最大 - 25mA)
电流输出(2 线):供电电压 - 20~-32V,电流 - 15.5~-20.5mA
热特性:85℃环境下需降额输入电压(参考第 7 页电压 - 温度曲线)
选型与订购信息
核心部件订购编码规则
TQ 422:111-422-000-013(含环境、螺纹、电缆长度、总长等选项)
TQ 432:111-432-000-013(选项同 TQ 422,增加柔性软管长度选项)
EA 402:913-402-000-013(含环境、电缆长度、防护选项)
IQS 450:204-450-000-002(含环境、测量范围、灵敏度、总长选项)
关键选型维度
环境:标准 / Ex i/Ex nA(根据安装区域防爆要求)
测量范围:2mm/4mm(根据监测精度需求)
输出类型:电压 / 电流(根据后端系统适配)
系统总长:1m/5m/10m(根据安装距离)
防护需求:是否需要柔性软管、FEP 护套、互连保护器
