EATON SPD 系列浪涌保护器
产品基础定位与核心优势
产品属性:伊顿 SPD 系列是专为电气配电设备设计的浪涌保护器(SPD),采用热保护金属氧化物压敏电阻(MOV) 核心技术,可集成于伊顿各类电气组件或独立侧装,为工业与商业电气系统抵御浪涌冲击,保障设备安全运行。
核心优势
宽范围适配:浪涌电流容量覆盖50-400kA,适配120V-600V单 / 三相多电压制式(星型、三角形、高腿三角形);
多功能可选:四种功能套餐满足不同场景需求,从基础防护到智能监测全覆盖;
高合规性:通过 UL 1449 第 5 版、NFPA 780 等权威认证,符合 RoHS 环保要求;
长寿命保障:10 年标准质保,注册后延长至 15 年,短路电流额定值达200kA,稳定性突出。
核心功能套餐对比
功能套餐 核心功能 特色亮点
基础套餐(1) 热保护 MOV 浪涌防护、双色相位 / 中性线 - 接地状态指示灯 Type 1 保护类型(可用于 Type 2 场景),低功耗设计
标准套餐(2) 基础功能 + 声光报警(带静音键)+Form C 继电器触点 + EMI/RFI 滤波(10kHz-100MHz 衰减 50dB) Type 2 保护类型,具备故障报警与电磁干扰过滤能力
标准 + 浪涌计数器套餐(3) 标准功能 + 浪涌次数计数与复位 可追溯浪涌事件频次,便于维护分析
Power Xpert SPD 套餐(4) 全功能 + 三色状态指示灯 + 剩余保护百分比显示 + RJ45 以太网端口 + Modbus TCP/IP/BACnet/IP 通信 + 带时间戳浪涌日志与分类 智能远程监控,支持网络集成,精准掌握防护状态
关键规格参数
(1)电气核心参数
参数类别 具体规格
浪涌电流容量 50、80、100、120、160、200、250、300、400kA(每相可选)
标称放电电流(In) 20kA(UL 指定最大额定值)
短路电流额定值(SCCR) 200kA
保护类型 基础套餐:Type 1(兼容 Type 2);其他套餐:Type 2
最大连续工作电压(MCOV) 150V-840V(依电压制式而定,如 240S:L-N 150V,L-L 300V)
防护模式 单分相:L-N、L-G、N-G、L-L;三相星型:L-N、L-G、N-G、L-L;三相三角形:L-G、L-L 等
功耗 基础套餐:0.5-1.3W;标准套餐:0.6-2.1W;Power Xpert SPD:4W
(2)电压适配与保护等级(VPR)
SPD 系列针对不同电压制式与安装方式(直接母线安装 / 断路器接口安装)提供精准电压保护等级(VPR),核心示例如下:
电压代码 安装方式 防护模式 VPR(V)
240S(120/240 单分相) 直接母线安装(50kA) L-N:500,L-G:1000,N-G:500,L-L:1000
480Y(277/480 三相星型) 直接母线安装(120-200kA) L-N:900,L-G:1000,N-G:900,L-L:1800
240D(240 三相三角形) 断路器接口安装(50kA) L-G:1200,L-L:1200
600Y(347/600 三相星型) 断路器接口安装(400kA) L-N:1500,L-G:1500,N-G:1200,L-L:2500

安装与显示选项
安装方式
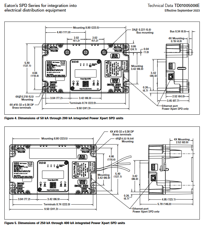
集成式:预装于伊顿配电盘(PRL1a/2a/3a/3e 等)、开关柜、电机控制中心、自动转换开关、母线插头等设备内部;
侧装式:独立安装于电气设备外部,适配非伊顿设备或改装场景。
显示与远程功能
本地显示:基础套餐为双色指示灯(正常 / 故障),Power Xpert SPD 为三色指示灯 + 剩余保护百分比显示;
远程显示:需订购尾部带 “B” 的型号,搭配专用线缆(4/8/12 英尺,型号 SPDRDCAB04 等)或远程显示套件(型号 SPDRDKIT04 等),支持设备嵌入式安装时的状态查看;
智能通信:Power Xpert SPD 配备 RJ45 以太网端口,支持 Modbus TCP/IP、BACnet/IP 协议,可远程访问网页界面、配置参数、查看带时间戳的浪涌日志与分类。
合规认证与质保
核心认证:UL 1449 第 5 版、UL 1283 第 7 版、加拿大 CSA C22.2 系列标准、PT. 1 cybersecurity 标准(UL 2900-1)、ICES 与 FCC Part 15 Subpart B;
合规标准:满足 UL 96A(配电设备浪涌防护)、NFPA 780(雷电防护系统)要求(需符合 NFPA 表 4.20.4 最大允许 VPR);
质保与维护:10 年标准质保,通过伊顿官网注册后延长至 15 年;设备预装 18 英寸 #10 AWG 导线,支持 30-12 AWG 铜导线连接,端子扭矩 5-7 lb-in。
