KOLLMORGEN E/H系列步进电机
品牌与产品定位
Kollmorgen 是Regal Rexnord旗下品牌,是全球少数可自研自产伺服电机、步进电机、驱动器、控制器等全品类运动控制产品的企业,核心优势为精准的扭矩、速度、位置控制,能提升设备 OEE(综合设备效率),产品广泛应用于航空航天、仓储自动化、医疗影像、制药、石油天然气、机器人等高端行业,甚至适配火星探测、人工心脏等高精度场景。本指南为其E/H 系列步进电机专属选型资料,核心解决 OEM 工程师的设计、采购、时间壁垒,支持标准产品改装与全定制化解决方案。
系列核心基础特性
E/H 系列为圆形框架步进电机,分 **E3/H3(NEMA 34,90mm)和E4/H4(NEMA 42,110mm)** 两大款型,核心特性如下:
性能:保持扭矩最高 27.95 N-m(3,958 oz-in),E 系列搭载SIGMAX™技术,具备更高扭矩和加速率,H 系列为标准款;
运动基础:每转 200 全步,步进精度 E 系列 ±1.5%、H 系列 ±3.0%(无负载单步);
环境与认证:UL、CE 合规,RoHS 认证;NEMA 34/42 款为 UL 认可,IP65 防护(C/M/L 结构 + 轴封),绝缘等级Class B(130°C),绝缘电压 340 Vdc,绝缘电阻 100 MΩ;
工作温度:-20°C ~ +40°C,支持高速快速移动场景。
关键技术参数与结构
绕组与连接方式
支持单极 / 双极绕组,提供 4/6/8 引线三种核心配置,含并联 / 串联双极连接、单极连接,配套 MS 连接器(如 MS3122E14-12P)、端子板、飞线三种接线方式,不同连接方式对应明确的引线颜色、端子号、连接器针脚定义,具体如下表:
连接类型 引线数 适配驱动器 核心连接器
双极并联 / 串联 4/8 双极驱动器 MS3122E14-12P
单极 6/8 单极驱动器 端子板(1/2 NPSC 管螺纹)
通用款 8 单 / 双极均可 飞线(#18/#22 AWG)
电机结构与定制化
安装方式:标准 NEMA / 重型 NEMA两种,3 栈可选重型、4 栈标配重型;
轴配置:单轴 / 双轴,轴端支持平键、#303 木 ruff 键、光轴等改装,双轴仅适配标准安装(非防溅款);
防护与封装:防溅款(L/M 结构)配 1/2 NPSC/PG11 管螺纹端子板,标准款配飞线 / MS 连接器;
定制选项:特殊轴改装、定制绕组、引线长度 / 连接器、编码器安装位等,支持全流程协同设计。
核心性能参数(分栈型)
E3/H3 分 1/2/3/4 栈,E4/H4 分 1/2/3 栈,核心性能指标含保持扭矩(2 相通电)、额定相电流、相电阻、相电感、转子惯量、重量等,且 E 系列(增强款)性能显著高于同规格 H 系列(标准款),关键核心数据如下(节选典型款):
款型 栈数 保持扭矩(oz-in/Nm) 额定相电流(A DC) 转子惯量(kg-m²×10⁻³) 重量(kg)
E31xxHP-L 1 344/2.43 8.4 0.0586 1.45
E33xxHP-L 3 995/7.03 7.9 0.177 3.45
E41xxHA-L 1 1380/9.74 10.6 0.565 4.94
E43xxHC-L 3 3720/26.3 13.3 1.69 11.7
注:E4/H4 全系列需安装在 10×10×1/4 英寸厚铝板上,才能满足扭矩额定值且不超允许温升。
编码器选项
标配光学增量式编码器(PF/PD),为 E/H 系列专用反馈配件,核心参数:
分辨率:1000 线 / 转,双通道正交输出 + 索引(Z)信号;
输出类型:差分线驱动(带互补),输出频率 100 kHz;
环境:工作 / 存储温度 **-40°C~100°C**,供电电压 ±10%;
连接:10 针 IDC 连接器,配 18 英寸最小长度带状电缆,配套 MS3122E12-10P 连接器。

型号命名规则
E/H 系列型号为多段编码组合,核心维度(以E 3 3 H C H P – L E K - M2 – 01为例):
基础系列:E(SIGMAX™增强款)/H(标准款);
帧号:3(NEMA34)/4(NEMA42);
转子栈数:1/2/3/4(H 系列可选半栈 H);
安装方式:N(标准 NEMA)/H(重型 NEMA);
结构 / 连接:R(飞线)/C(MS 连接器)/L/M(防溅端子板);
引线数:H(4 并)/L(4 串)/E(6)/8(8);
绕组类型:P(高速大扭矩)/A/B/C(标准)/S(定制);
转子类型:L(叠片)/ 低惯量(仅 NEMA23);
轴配置:N(单轴)/D(双轴)/E(编码器双轴);
轴改装:N(光轴)/F(平键)/K(直键)/W(木 ruff 键);
编码器选项:NS(无反馈)/M2(HP 安装位)/M3(BEI 安装位);
特殊序列:00(无轴封)/01(有轴封,仅 3/4 帧)。
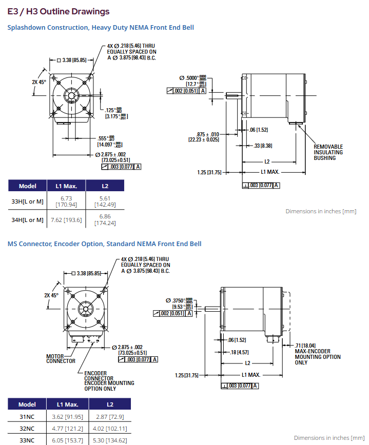
尺寸图纸
文档提供E3/H3、E4/H4全结构的详细二维尺寸图纸,均采用英寸 / 毫米双单位标注,分不同安装方式(标准 / 重型)、连接结构(飞线 / MS 连接器 / 防溅端子板)、编码器安装位的尺寸参数,含外形尺寸、轴径、安装孔位、引线长度等关键指标,例如 E31NR(1 栈标准款)最大长度 2.58 英寸(65.5 毫米),E43HC(3 栈重型 MS 连接器款)L1 最大 7.62 英寸(193.6 毫米)。
