REXROTH WE 6X 系列方向阀
REXROTH WE 6X 系列方向阀是采用湿引脚电磁驱动的直动式换向阀,涵盖3/2、4/2、4/3 三种通路形式,额定通径6,最高工作压力350 bar,最大流量DC 电压 80 l/min、AC 电压 60 l/min,支持24V DC、110V AC、230V AC 等多种电压规格,适配矿物油、生物降解油等液压油,具备线圈可旋转 90°、无需打开压力腔即可换线圈等特点,可选手动应急操作和阀芯位置监控功能,广泛应用于工业液压系统的流量方向控制。
产品概述
产品定位:WE 6X 系列是博世力士乐推出的直动式电磁换向阀,专为工业液压系统设计,通过电磁线圈驱动阀芯换向,实现液压油的方向控制,进而调节执行元件(如油缸、液压马达)的运动状态。
核心分类
| 分类维度 | 具体类型 |
| 通路形式 | 3/2 通(3 个主油口)、4/2 通(4 个主油口,2 个工作位置)、4/3 通(4 个主油口,3 个工作位置) |
| 复位方式 | 弹簧复位(默认)、无弹簧复位(代码 O)、无弹簧复位带定位(代码 OF) |
| 电压规格 | DC:12V、24V、96V、205V;AC:110V、230V(50/60Hz,电压公差 ±10%) |
| 密封材质 | NBR(标准)、FKM(耐温耐化学介质,需单独选型) |
核心优势
安装灵活:支持任意安装姿态,安装面兼容 DIN 24340 A 型、ISO 4401-03-02-05 等标准。
维护便捷:线圈可拆卸且可旋转 90°,无需打开压力腔即可更换,降低维护成本。
功能扩展:可选手动应急操作、节流插件、阀芯位置监控(电感式开关或接近传感器)。
环境适配:适配矿物油、生物降解油等多种液压油,满足不同工业场景需求。
关键技术参数
(1)液压参数
参数名称 指标值 备注
最高工作压力(P/A/B 口) 350 bar(5076 psi) -
最高工作压力(T 口) DC 电压:210 bar;AC 电压:160 bar A/B 符号型阀的 T 口仅作为泄漏口使用
最大流量 DC 电压:80 l/min(21 US gpm);AC 电压:60 l/min(15.8 US gpm) 基于 HLP46 液压油,40℃环境
液压油类型 矿物油(HL/HLP)、生物降解油(HETG/HEES 等)、聚乙二醇(HEPG)等 NBR 密封适配矿物油 / 生物降解油;FKM 密封适配 HEPG/HEES
油液温度范围 NBR 密封:-30~+80℃;FKM 密封:-15~+80℃ 环境温度范围:-30~+50℃(NBR)/-20~+50℃(FKM)
油液清洁度 ISO 4406 20/18/15 级 需通过高效过滤保证,延长阀使用寿命
(2)电气参数
参数名称 DC 电压规格 AC 电压规格
额定电压 12/24/96/205 V 110/230 V(50/60Hz)
功率消耗 30 W(持续) 吸合功率 220 VA,保持功率 50 VA
开关频率 15000 次 / 小时 7200 次 / 小时
开关时间(ISO 6403) 吸合 25~45 ms,释放 10~25 ms 吸合 10~20 ms,释放 15~40 ms
线圈最高表面温度 120℃(248°F) 180℃(356°F),故障时可达 220℃
防护等级 IP65(K4/K72L/K73L) IP65(K4/K72L/K73L)、IP66A(C4)、IP69K(K40)

结构与功能配置
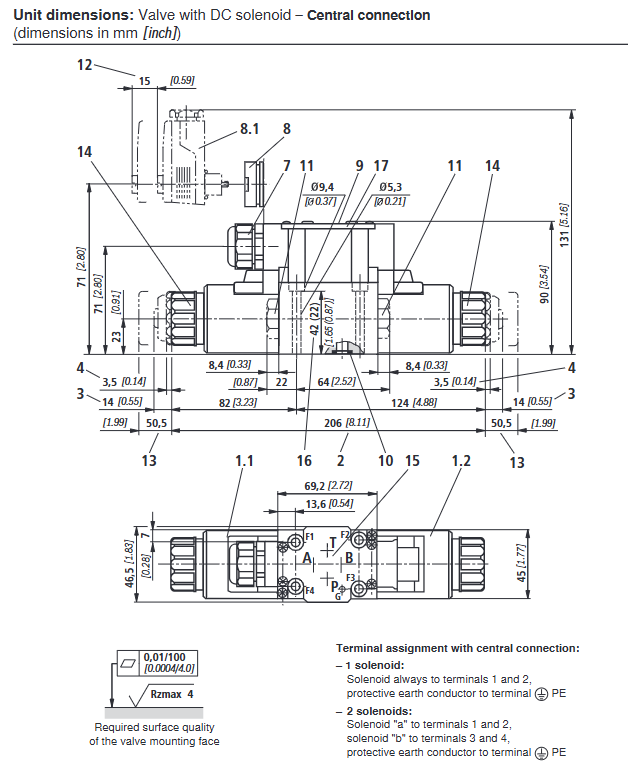
核心结构:主要由阀体、阀芯、电磁线圈、复位弹簧(可选)、手动操作机构(可选)组成。
阀体:集成 P(进油口)、A/B(工作油口)、T(回油口),遵循标准安装面尺寸。
阀芯:不同功能符号(如 A/B/C/D/E 等)对应不同的油口导通逻辑,满足多样化控制需求。
电磁线圈:湿引脚设计,可拆卸,线圈与阀体间通过锁母固定(拧紧扭矩 4±1 Nm)。
可选功能配置
手动 override:分为隐蔽式(标准,代码 N9)和外露式(代码 N),应急时无需通电即可操作阀芯。
节流插件:当切换流量超过阀性能极限时需安装,孔径可选 0.8/1.0/1.2 mm,对应不同油口(P/A/B/A+B/T)。
阀芯位置监控:支持电感式位置开关(QM/QR 系列)和接近传感器(QS 系列),监控阀芯 “a”“b” 工作位置或 “0” 中位。
电气连接:独立连接(K4/C4/K40/K72L/K73L)或集中连接(DL/DKL),部分带 LED 工作指示灯。
订货代码规则(核心字段说明)
字段位置 含义 可选值示例
1 通路数 3(3/2 通)、4(4/2 或 4/3 通)
2 通径规格 6(Size 6)
3 阀芯功能符号 A、B、C、D、E、EA、EB 等(见文档第 4 页)
4 组件系列 6X(60~69 系列,安装尺寸不变)
5 复位方式 无代码(弹簧复位)、O(无弹簧)、OF(无弹簧带定位)
6 线圈类型 E(高性能湿引脚可拆卸线圈)
7 电压规格 G24(DC 24V)、W110(AC 110V)、W230(AC 230V)
8 手动操作 N9(隐蔽式)、N(外露式)、无代码(无)
9 电气连接方式 K4、C4、K40、K72L、K73L、DL、DKL 等
10 密封材质 / 节流插件等 无代码(NBR)、FKM(FKM 密封)、B08(P 口节流 0.8mm)等
安装与维护规范
安装要求
安装面:表面粗糙度 Rzmax 4,平面度 0.01/100 mm,需使用指定安装螺钉(M5 规格,拧紧扭矩 7~8.1 Nm)。
布线:线圈电气连接需接保护地线(PE),AC 电压线圈需配置 “K” 特性断路器(跳闸电流为额定电流的 8~10 倍,持续 0.6s)。
油口连接:P/A/B/T 油口不可随意互换或封堵,需根据阀芯功能符号正确连接。
维护要点
线圈更换:无需拆卸阀体,松开锁母即可取下线圈,更换后需紧固锁母。
手动操作:仅在油箱压力≤50 bar 时使用,需专用工具(物料号 R900024943),禁止暴力操作。
清洁保养:定期检查油液清洁度,避免杂质导致阀芯卡滞;阀体清洁仅用干燥布擦拭,禁止使用腐蚀性清洁剂。
