REXRTOH CDH1/CGH1/CSH1 系列铣床型液压缸
博世力士乐CDH1/CGH1/CSH1 系列铣床型液压缸的官方项目规划手册,核心围绕产品技术参数、安装配置、密封选型、附件搭配及安全规范展开,明确额定压力250 bar、活塞直径40-320 mm、行程最长6 m等关键规格,详细规定了 6 种安装方式、多类型密封系统选型、位置测量与控制接口(IO-Link/Profinet 等)的适配要求,同时涵盖紧固扭矩、防屈曲计算、耐腐蚀性等级等实操要点,为设备选型、安装调试及维护提供全面技术指导。
基础信息
覆盖产品
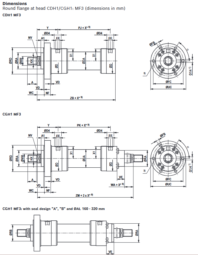
CDH1 系列:单活塞杆差动缸,支持 6 种安装方式,适配常规液压场景。
CGH1 系列:双活塞杆缸,安装方式包括 MF3/MT4/MS2,适用于双向对称负载。
CSH1 系列:带磁致伸缩位置测量系统的差动缸,支持多种数字 / 模拟信号输出。
文档类型与用途:项目规划手册,用于指导产品选型、机械 / 电气集成、安装调试及维护。
核心适用场景:铣床、工业液压设备、重载传动系统等,适配矿物油、水乙二醇等多种液压介质。
核心技术参数
(一)关键规格汇总
参数项 数值范围 备注
额定压力 250 bar 静态试验压力 375 bar
活塞直径(ØAL) 40-320 mm 符合 ISO 3320 标准
活塞杆直径(ØMM) 22-220 mm 随活塞直径匹配
最大行程 6 m 需结合防屈曲计算确认允许行程
液压介质 HL/HLP/HFA/HFC/HFDR/HFDU 对应不同密封系统
介质温度范围 -20℃~+120℃ 依密封类型调整
清洁度要求 ISO 4406 20/18/15 需配套过滤装置
(二)行程速度限制
活塞直径(mm) 接口规格 最大行程速度(m/s)
40 G1/2 0.31
63 G3/4 0.28
100 G1 0.20
200 G1 1/2 0.11
320 G1 1/2 0.04

安装与紧固要求
(一)安装方式分类及适用场景
安装方式 类型 适用场景
MP3 底座旋转耳环 需摆动的负载连接
MP5 底座自调叉头 补偿安装偏差的场景
MF3 头部圆形法兰 固定安装、轴向负载
MF4 底座圆形法兰 机身一体化安装
MT4 耳轴安装 重载摆动场景
MS2 脚座安装 水平 / 垂直固定安装
(二)关键紧固扭矩(螺栓等级 10.9)
活塞直径(mm) 头部 / 底座螺栓规格 紧固扭矩(Nm)
40 M8 23
100 M12 100
200 M20 410
320 M30 1500
密封系统与选型
(一)密封设计类型及适配介质
密封类型 适配介质 核心特点
M/L/R 矿物油 HL/HLP/HFA 标准型 / 低摩擦 / 重工业级
G/T 矿物油 + 水乙二醇 HFC 伺服级低摩擦
V/S 磷酸酯 HFDR / 多元醇酯 HFDU 耐化学腐蚀
A/B 矿物油 / 水乙二醇 唇形密封套件
(二)选型核心原则
介质匹配:根据液压油类型(矿物油 / 水基 / 合成油)选择对应密封设计。
温度适配:-20℃~+80℃选常规密封,+80℃~+120℃选耐高温型(如 V/S)。
工况需求:静态保压>10 分钟需避开 T/G/L/R/S/V 型密封。
位置测量与控制接口
(一)控制接口类型
接口类型 信号输出 适用场景
接近开关 PNP 常开信号 简单端位检测
IO-Link 数字信号(32 位位置值) 工业 4.0 联网
Profinet RT/IRT 协议 高精度同步控制
SSI 1/5μm 分辨率 高精度位置反馈
(二)关键参数
供电电压:12-30 VDC(IO-Link/Profinet)
防护等级:IP67(连接器安装后)、IP68(电缆出口)
传输速率:Profinet 最大 100 MBit/s,IO-Link 230.4 kBaud
安全与维护要点
压力安全:最大工作压力不得超过额定值,需考虑面积比导致的压力放大。
防屈曲要求:垂直安装时需按欧拉公式计算允许行程,安全系数 3.5。
腐蚀防护:根据环境选择 CP3(常规)至 CP7(近海高盐雾)等级涂层。
介质要求:最佳粘度 20-100 mm²/s,最低 12 mm²/s,避免杂质污染。
