SIEMENS SINUMERIK System 800 通用接口规划指南
SINUMERIK System 800 通用接口规划指南(1995 年 12 版)是面向机床制造商的技术文档,支持 SINUMERIK 805/810/820/840/850/880 等多个系列控制系统,核心内容涵盖V.24(RS232C)、20 mA 电流环、RS 422 三种串行接口的技术规范(信号定义、电平极性、驱动接收模块)、接口适配(针脚分配、传输格式设置)、数据传输时序(线路控制 / 字符控制设备)、各型号控制系统接口配置,以及打印机、磁带机、编程器等 30 余种 I/O 设备的实操连接方案(电缆型号、参数设置、接线 diagram),同时明确了不同接口的最大传输距离、电磁兼容要求及设备适配原则。
三大核心接口技术规范
2.1 V.24(RS232C)接口
信号定义:遵循 DIN 66020/CCITT V.24/V.28 标准,含数据 line(D1=TxD、D2=RxD)、控制 line(S2=RTS、S1.2=DTR)、消息 line(M1=DSR、M2=CTS)、接地 line(E1 = 保护地、E2 = 信号地)。
电平与极性:数据 / 控制信号逻辑 L 为 + 3~+15V,逻辑 H 为 - 3~-15V,信号参考地为 E2,过渡区间(±3V)状态未定义。
驱动与接收模块:驱动模块 75188(供电 ±15V,最大输出电流 10mA),接收模块 75189(最大输入电压 ±30V,输入电阻 390Ω)。
传输限制:最大电缆长度 30m,不可与 20mA 接口同时连接。
2.2 20 mA 电流环接口
信号特性:以电流信号传输,逻辑 L 对应 20mA(±30%),逻辑 H 对应 0~2mA,SINUMERIK 端提供 12V 电流源。
工作模式: duplex 双线路对,支持 SINUMERIK 端主动(提供电流)/ 被动(外设提供电流)模式,通过电缆针脚分配切换。
设备连接:需区分主动 / 被动模式接线,闭合回路时需验证 20mA 电流值,与 V.24 信号功能等效(TxD=TTY2、RxD=TTY4 等)。
传输限制:最大电缆长度 1km。
2.3 RS 422 接口
核心优势:结合 V.24 的调制解调控制能力与 20mA 的长距离传输优势,采用双线路差分传输。
电平规范:驱动输出 VoL≤0.5V、VoH≥2.5V,差分电压 2~5V,参考 AM26 LS 31/33 模块电压。
驱动与接收:AM26 LS 31 驱动模块(供电 5V)、AM26 LS 33 接收模块(输入并联电阻 150Ω)。
扩展功能:支持 V.24 到 RS 422 的电平转换(专用电缆集成转换器),最大传输距离 1km。

接口适配与配置
3.1 针脚分配
接口类型 连接器规格 关键针脚功能
V.24/20mA 通用 25 针 D-Sub 插座 V.24:2=*TxD、3=*RxD、4=RTS、5=CTS;20mA:10=TTY2、12=T 20mA、13=TTY4
RS 422 25 针 D-Sub 插座 2=*TxD、3=*RxD、4=RTS、5=CTS、15=TxD、16=RxD
3.2 传输格式设置
核心参数:15 字节设置数据,含设备编码(线路控制 / 字符控制 / 专用设备)、传输格式(波特率 110~9600 baud、校验位(有无 / 奇偶)、停止位(1/1.5/2 个))。
特殊配置:Xon/Xoff 字符定义、EIA 代码特殊字符替代(@/: /= 等)、传输终止字符设置。
适配原则:线路控制设备依赖 DSR/DTR/CTS/RTS 线,字符控制设备依赖 Xon/Xoff 字符,无控制设备采用异步传输。
3.3 数据传输时序
线路控制设备:输入时 NC 通过 DTR/DSR 确认设备就绪,RTS 控制数据接收;输出时 NC 通过 CTS 确认设备缓冲空闲,传输终止于 ETX 或程序结束。
字符控制设备:输入时 NC 发送 Xon 允许数据传输,Xoff 暂停;输出时 NC 接收 Xon 后启动传输,支持无首次 Xon 直接启动(设置字节 7 位 7)。
关键时限:超时监控默认 60s(可关闭),避免传输卡顿。
各控制系统接口配置
控制系统型号 接口数量 接口类型 特殊说明
SINUMERIK 805 1 个标配 + 1 个可选 标配 V.24/20mA,可选 V.24(支持 RS422 转换) 25 针 D-Sub 插座
SINUMERIK 810 GA3/820 GA3 1 个标配 + 1 个可选 标配 V.24/20mA,可选 V.24(支持 RS422 转换) 操作面板前后端接口
SINUMERIK 840 1 个标配 + 1 个可选 标配 V.24/20mA,可选 V.24(支持 RS422 转换) 机床控制面板前端接口
SINUMERIK 850 最多 4 个 支持 V.24/20mA/RS422 中央控制器 + 操作面板接口
SINUMERIK 880 最多 4 个 支持 V.24/20mA/RS422 区分不同机型插槽配置
I/O 设备实操连接方案
5.1 设备分类与适配清单
涵盖 30 余种设备,核心类别包括:
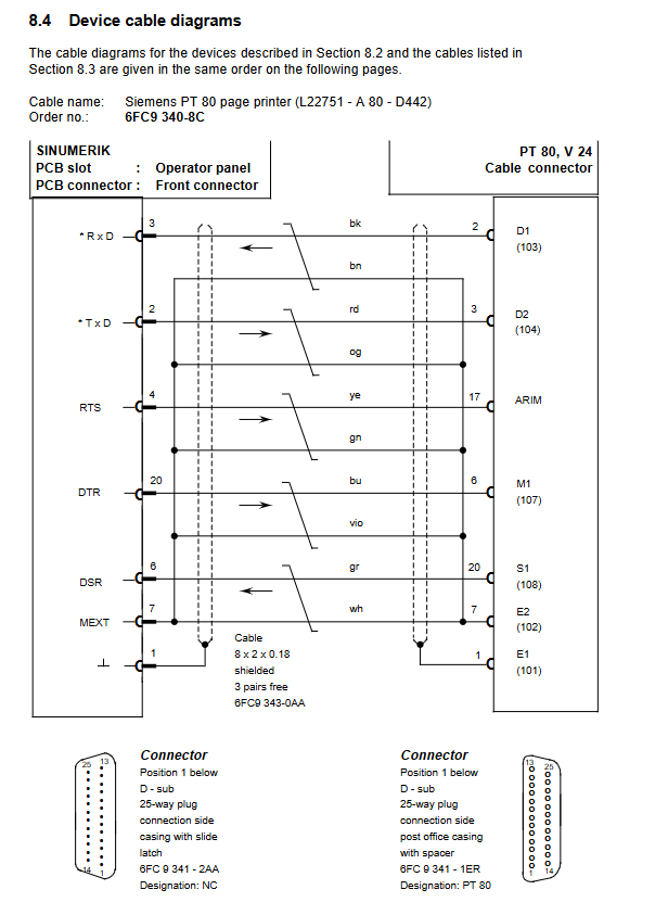
打印设备:Siemens PT 80/PT 88 打印机
磁带 / 软盘设备:SINUMERIK T30/T40/T50/T60 磁带机、Siemens DSG 3.5/2S 软盘驱动器
编程设备:SIMATIC PG 670/675/685/750 编程器
数据载体:GNT 7101 NC 数据载体、CAN NC Recorder FD/FH
工作站:SINUMERIK WS 800/WS 800A 编程工作站
5.2 连接核心参数(示例)
设备名称 接口类型 波特率 电缆型号 关键设置
Siemens PT 80 打印机 V.24/20mA 300 baud 6FC9 340-8C(V.24) 8 数据位、2 停止位
SINUMERIK T60 磁带机 V.24 9600 baud 6FC9 344-2C DIP 开关 8 位 OFF
SIMATIC PG 750 编程器 V.24 9600 baud 6FC9 344-4R 偶校验、2 停止位
RS 422 转换 V.24→RS422 适配设备 6FC9 344-2VZ 最大传输 100m
5.3 电缆与接线要求
电缆规格:屏蔽电缆(如 8×2×0.18mm²),动力线与控制线分开铺设。
接地要求:屏蔽层双端接地,保护地(E1)符合 DIN VDE 0160 标准。
订货信息:明确每种设备的电缆订货号、最大长度(30m 为主,部分达 100m)。
关键规范与注意事项
电磁兼容:遵循 VDI 2880 指南,线缆分组布线,避免干扰。
设备适配:DTE 设备(SINUMERIK)与 DTE 设备连接需交叉接线(发送→接收)。
编码转换:EIA 代码缺失字符(@/: 等)需通过设置数据定义替代码。
传输限制:严格遵守各接口最大传输距离,超距需采用 RS 422 或转换方案。
