SEW MOVIDYN® 伺服控制器
MOVIDYN® 伺服控制器是 SEW-EURODRIVE 推出的工业级伺服驱动设备,专为永磁同步交流伺服电机设计,涵盖电源模块(MPB/MPR)、轴模块(MAS)、紧凑型控制器(MKS) 三类核心产品,支持 380~500V 三相电源输入,额定电流 5~60A、功率 11~55kW,具备转速 / 转矩 / 位置控制功能,通过 EMC、UL 等认证,适用于机床、自动化生产线等高精度控制场景,兼具完善的安全保护与故障诊断能力。
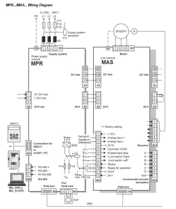
产品体系与基础参数
(1)核心产品类型
产品类型 核心功能 关键参数示例 适用场景
MPB 电源模块 带制动斩波器,提供直流母线供电 额定功率 11~55kW,制动功率 14~45kW 多轴系统供电,需制动能量回收场景
MPR 电源模块 再生式供电,能量回馈电网 额定功率 15~37kW,无外接制动电阻 节能要求高的多轴系统
MAS 轴模块 单轴驱动控制,支持扩展选件 额定电流 5~60A,适配 500V 电机 多轴联动设备(如流水线、机器人)
MKS 紧凑型控制器 集成电源与驱动功能,体积小巧 额定电流 5~15A,内置散热 单轴高精度设备(如数控机床)
(2)基础技术参数
电源规格:3×380~500V AC(±10%),频率 50/60Hz(±5%)
控制精度:转速范围 0~5000rpm(分辨率 0.2rpm),位置控制支持 1024 脉冲 / 转编码器
环境条件:工作温度 0~45℃(45~60℃时输出降容 3%/K),防护等级 IP20
安装海拔:≤1000m(超 1000m 后每 100m 电流降容 1%)
核心功能与操作
(1)控制模式
基础模式:转速控制、转矩控制,支持模拟量(-10~+10V)/ 数字量设定值输入
扩展模式:IPOS 定位控制(需选件)、主从同步控制(RS-485 接口联动)
保护功能:过电流(F01)、接地故障(F06)、热过载(F03/F11)、编码器故障(F14)等 24 类故障保护
(2)调试与操作方式
操作方式 工具 / 载体 核心流程 适用场景
软件调试 MD_SHELL 软件(≥4.20 版) 连接 PC 与控制器→设置轴地址→输入电机参数→自动计算控制参数→下载生效 系统集成、批量配置
面板操作 S1 按键 + 7 段数码管 短按 S1 查看地址→长按 2 秒进入设置→调整 tens/units 位→确认保存 现场快速地址配置、状态查看
外部控制 二进制 / 模拟量端子(X21) 端子分配功能(如使能、急停、限位)→外部信号触发→运行监控 工业 PLC 联动、自动化生产线
(3)关键选件扩展
选件型号 类型 核心功能 适配场景
AIO11 模拟量 I/O 扩展卡 扩展模拟输入 / 输出,支持示波器监控 多信号交互、参数优化
AFC11A/AFP11A 总线模块 支持 CANopen/Profibus 协议 多设备联网、集中控制
API12/APA12 定位控制卡 高精度位置定位,支持参考运行 机床、机器人定位场景
USS21A 通讯适配器 实现 PC 与控制器 RS-232/RS-485 连接 软件调试、数据传输

安装与接线规范
(1)机械安装要求
安装位置:开关柜内固定安装,电源模块与轴模块需紧贴散热片(35mm 栅格安装孔)
散热间隙:上下预留≥100mm 散热空间,多轴模块散热片需用铜排 / 编织线导通接地
制动电阻:安装于通风良好处(如柜顶),避免靠近热敏元件,导线截面适配最大制动电流
(2)电气安装要点
接线规范:动力线(L1/L2/L3、U/V/W)与信号线分开布线,间距≥20cm;编码器 / 旋转变压器线缆用双绞屏蔽线(最长 100m),屏蔽层两端接地
EMC 合规:输入端需配 NF 系列滤波器,输出端可选 HD00X 输出扼流圈;滤波器与控制器间距≤400mm
UL 合规:仅使用 60/75℃铜导线,功率端子拧紧力矩 3.5Nm(MKS 为 1.5Nm),熔断器规格≤30A/600V
故障诊断与维护
(1)常见故障与处理
故障代码 故障类型 典型原因 处理措施
F01 过电流 电机短路、输出级故障 排查电缆短路,更换故障模块
F07 直流母线过压 制动电阻故障、减速斜坡过短 检查制动电阻接线,延长减速时间
F14 旋转变压器故障 线缆断线、屏蔽不良 检查旋转变压器接线,修复屏蔽层
F27 限位开关缺失 未连接限位开关或接线断线 连接限位开关,或短接 X21.7/X21.8 至 24V
(2)维护要点
定期维护:每 2 年通电≥5 分钟(长期存放时),清理散热片灰尘
复位方式:支持电源重启、端子复位、软件复位,自动复位需开启 P630 参数(默认关闭)
备件与服务:故障无法解决时需联系 SEW 电子服务部,提供设备型号、故障代码及应用场景
核心优势与应用场景
核心优势:集成度高(MKS 紧凑型无需额外电源模块)、控制精度高(支持 IPOS 定位)、扩展灵活(总线 / IO 选件丰富)、保护完善(24 类故障防护)
典型应用:数控机床、自动化装配线、机器人关节驱动、精密输送设备等需要高精度转速 / 位置控制的工业场景
