WOODWARD VariStroke-GI 单作用电液执行器
核心定位 专为蒸汽轮机阀门控制设计的高可靠性单作用电液执行器,支持冗余配置与现场定制
应用场景与核心价值
(一)主要应用
控制对象:蒸汽轮机调节阀、阀架(valve racks)、跳闸节流阀(T&TV)
适配设备:机械驱动或发电机驱动蒸汽轮机
额外场景:老旧伺服系统 / 手动阀门的 retrofit 替换,解决备件难、校准复杂问题
(二)核心价值
安全保障:单作用设计 + 内置复位弹簧,故障时自动关闭阀门,满足失效安全要求
运维便捷:工厂预组装测试,现场可通过服务工具配置,减少安装与校准时间
环境适配:防污设计适配恶劣油液环境,侧载耐受能力解决轴封泄漏问题
灵活适配:支持多种行程、孔径选择,可选排放阀配置,适配不同阀门控制需求
产品核心特性
(一)结构与冗余设计
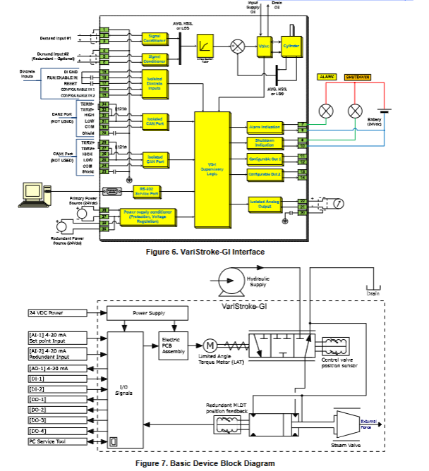
核心结构:单作用动力缸(可选内置 / 外置复位弹簧)+ 集成电子驱动模块 + 旋转伺服阀 + 双冗余 MLDT 位置反馈传感器
冗余功能:双 4-20mA 需求输入(支持单通道 / 双通道平均 / 取高 / 取低模式)、双 MLDT 位置反馈,单个组件故障时仍可正常运行
配置方式:通过 RS-232 接口连接电脑服务工具,现场配置行程、线性化参数、软停止等功能
(二)关键功能亮点
防污设计:采用耐腐蚀材料、单移动旋转阀、50 磅切屑剪切力及自清洁端口设计,适配含杂质、油泥的涡轮润滑油环境
侧载耐受:支持连续侧载达执行器输出力的 10%,通过高精度轴承和特殊密封技术,减少轴封磨损与漏油
软停止功能:可配置阀门座上方减速点,减缓阀门关闭速度,延长阀门与阀座寿命
快速排放阀选项:可选集成 simplex 快速排放阀(或仅预留端口),支持涡轮停机系统直接驱动,实现快速卸压
T&TV 专用配置:支持升降命令、部分行程测试,适配跳闸节流阀应用,可通过模拟 / 离散信号反馈阀门位置
(三)产品配置类型
配置类型 核心特点 适用场景
单作用集成动力缸 结构紧凑,内置复位弹簧 常规汽轮机调节阀
单作用远程动力缸 动力缸与伺服分离安装 空间受限场景
带快速排放阀的单作用集成动力缸 含 simplex 排放阀,快速卸压 需高速切换的调节阀 / T&TV
带排放阀端口的单作用集成动力缸 预留排放阀接口,支持用户自配冗余跳闸组件 高 critical 应用(需双 / 三重冗余跳闸)

关键规格参数
(一)性能参数
参数 数值
定位精度 ±2% 全量程
定位重复精度 ±1% 全量程
温度漂移 0.04%/℃
失效保护 伺服阀内置复位弹簧,强制阀门关闭
开启 / 关闭 slew 速率 可配置,最大 1140mm/s(无排放阀)
部分行程测试 支持(T&TV 应用)
线性化功能 支持阀门流量线性化表配置
(二)物理参数
参数 详情
行程范围 50.8mm(2 英寸)、76.2mm(3 英寸)、101.6mm(4 英寸)、152.4mm(6 英寸)、203.2mm(8 英寸)、254mm(10 英寸)、304.8mm(12 英寸)
孔径规格 101.4mm(4 英寸)、127mm(5 英寸)、152.4mm(6 英寸)、203.2mm(8 英寸)、254mm(10 英寸)
最大失速力 缩回方向:2300-14200kgf@34.5bar(5080-31300lbs@500psig);伸出方向:2850-17800kgf@34.5bar(6280-39200lbs@500psig)
安装方式 任意角度(螺栓样式与尺寸依型号而定)
防护等级 IP66(IEC/EN 60529)
(三)环境与电气参数
类别 参数 数值
环境参数 工作环境温度 -40℃~+85℃(-40℉~+185℉)
工作油液温度 +15℃~+70℃(+59℉~+158℉)
抗冲击性能 符合 US MIL-STD-810C 方法 516.2(10G 峰值,11 毫秒持续时间)
抗振动性能 符合 US MIL-STD-810F M514.5A(0.015 G²/Hz,10-500Hz)
电气参数 供电电压 18-32Vdc(稳态电流 2.3A,峰值 10A/100ms)
模拟输入 隔离 4-20mA(输入阻抗 200Ω),双冗余
模拟输出 4-20mA(最大外部负载 500Ω)
离散输入 光隔离(需 24Vdc 润湿电压)
离散输出 0.5A@24Vdc
服务工具端口 RS-232 通信
(四)液压参数
参数 要求
工作压力范围 3.45bar~34.5bar(50psig~500psig)
油液类型 矿物油、合成油或 Fyrquel EHC 基油
推荐油液清洁度 最大 ISO 4406 代码 20/18/16 级(公称 24-40μm,β75)
推荐油液粘度 20-100 厘沲
接口标准 液压端口符合 SAE J518 Code 61
稳态油消耗 最大 10.8L/min@34.5bar(2.8 美加仑 / 分钟 @500psig)
最大流量 5.5bar 时 358L/min(80psig 时 95 美加仑 / 分钟);34.5bar 时 929L/min(500psig 时 245 美加仑 / 分钟)
合规认证
地区 / 标准 认证内容
欧洲(CE) EMC 指令 2014/30/EU;ATEX 指令 2014/34/EU(Zone2:II 3 G Ex nA IIC T4 Gc IP66)
其他欧洲标准 机械指令 2006/42/EC(部分完成机械);压力设备指令 2014/68/EU(SEP 类别)
国际 IECEx 认证(证书 IECEx 13.0041X,Zone2:II 3 G Ex nA IIC T4 Gc IP66)
北美 CSA 认证(Class I, Div.1 Groups C&D T4;Class I, Div.2 Groups A-D T4),适用于美国和加拿大
