GE Multilin MM2 Motor Manager 2 说明书
GE Multilin MM2 Motor Manager 2(固件 / 软件V5.2x)的官方操作手册,核心为低压电机一体化保护与控制装置,集成三相过载、堵转、接地故障、欠 / 过压、热敏电阻等全套电机保护,支持13 种启动器控制、RS485 Modbus RTU通信、面板 / 远程 / 软件三重操作,通过前面板键盘 + LED+20×2 显示屏实现参数配置、实时监测、故障诊断与维护统计,适用于 MCC 电机控制中心,具备可扩展 I/O、可编程逻辑、欠压自启动、用户自定义内存映射等工业级特性,满足电机安全运行与智能监控需求。
产品基础信息
MM2(Motor Manager 2)是 GE Multilin 推出的低压电机综合保护控制器,用于 MCC 电机控制中心,实现保护 + 控制 + 监测 + 通信一体化。
固件 / 软件版本:V5.2x
手册编号:1601-0056-DU(GEK-106294F)
供电:120/240V AC,50/60Hz
安装:面板安装(带显示)、机架安装(黑盒型)
认证:UL、CE、ISO9001:2000
环境:0~60℃,IP53,NEMA 12
硬件结构
1. 前面板
显示:20×2 字符液晶
LED:运行、停机、跳闸、报警、故障、接触器 A/B、辅助继电器、自动 / 手动
按键:设定值、实际值、存储、停止、复位、启动 A/B、消息 / 数值上下左右
2. 输入输出接口
类型 规格
电流输入 三相 CT(1A/5A)、接地 CT(5A/50:0.025)
电压输入 VT 输入 120V AC,最高 600V
开关输入 120V AC 光耦隔离,最多 10 路可编程
模拟输入 4~20mA,精度 ±1% FS
继电器输出 接触器 A/B、辅助 1/2,触点容量 10A/240V AC
通信 RS485,2 线半双工,Modbus RTU
3. 核心硬件
主 CPU:16 位 68HC16,16MHz
后备 CPU:68HC705,断电计时≥1 小时
采样:1.67ms真有效值 RMS
存储:EEPROM 保存参数,掉电不丢失

保护功能(S2 配置)
覆盖电机全部故障类型,精度高、动作时间精准
热过载保护
曲线:8 条标准 + 4 条 NEMA CLASS(10/15/20/30)
精度:±200ms(≤10s),±2%(>10s)
热模型:冷热比 20%~100%,停机冷却时间 5~1080min
接地故障保护
检测:残差 / 零序 CT,50:0.025 高灵敏型
阈值:0.1~15A 或 3%~100% CT
动作延时:0~10s(启动 / 运行分别设定)
堵转保护
阈值:1.15~4.50×FLC
延时:0.5~5s
其他保护
断相 / 不平衡:>30% 不平衡,5s 动作
欠 / 过压:0~600V,延时 1~60s
欠载 / 欠功率:10%~100% FLC,延时 1~60s
热敏电阻:PTC/NTC,100~30000Ω
控制功能(S1/S4 配置)
支持 13 种启动器
全压不可逆 / 可逆、双速、星三角(开 / 闭环)、自耦变压、绕线转子、串电阻、变频器、软启动、备用互投
控制模式
两线 / 三线、手动 / 自动、本地 / 远程、联锁控制
欠压自启动
瞬时重启:100~500ms
延时重启:0.2~300s
掉电记忆时间:最长1 小时
可编程输入
10 路可配置:联锁、锁定复位、自动许可、测试、远程允许等
监测与维护(S5/A 实值)
实时数据
三相电流、接地电流、电压、功率、负荷率、热容量、不平衡度
统计数据
运行 / 停机时长、启动次数、各类跳闸计数、联锁计数
维护提醒
电机润滑间隔:100~50000h
接触器检查:1000~1000000 次
最长停机报警:10~10000h

通信(Modbus RTU)
电气接口
RS485,2 线半双工,最长 4000 英尺,最多32 台
波特率:1200/2400/4800/9600/19200
支持功能码
01H:读线圈
03H/04H:读寄存器
05H:执行命令
06H:写单个设定值
10H:写多个设定值
内存映射
实值区:0000~0FFF
设定值区:1000~1FFF
用户自定义区:0100~0177、1280~12F7
安装与测试
安装
面板开孔:7.50×7.10in(191×180mm)
接线:CT 严禁开路,通信屏蔽接地,终端电阻 120Ω
测试
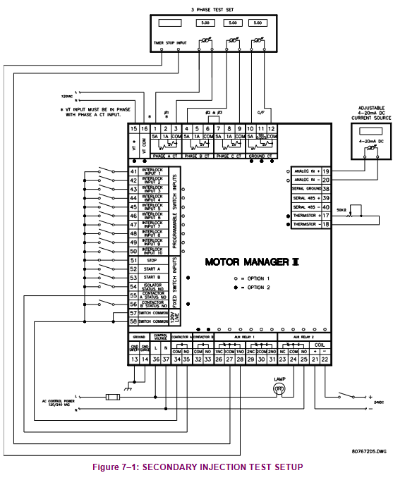
一次 / 二次注入测试
电流、不平衡、接地、热敏、掉电测试
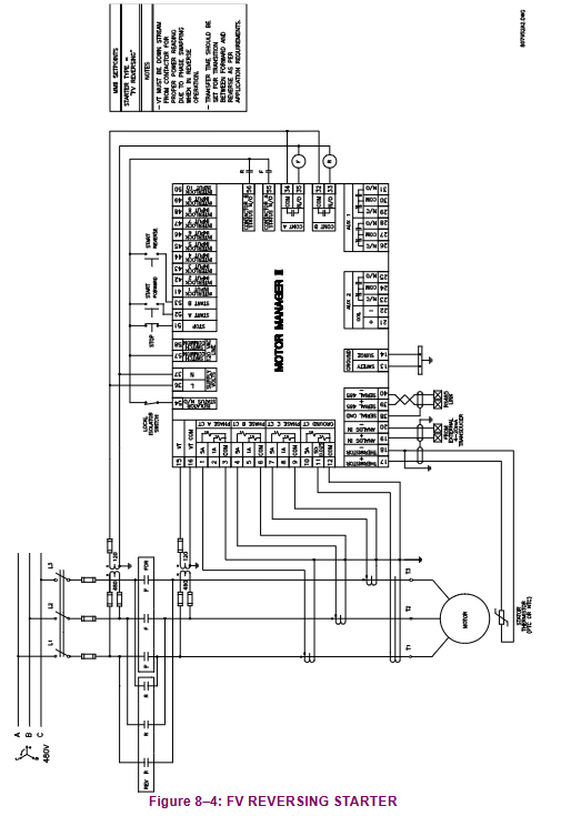
控制接线
两线 / 三线、手 / 自 / 联锁、紧急停机
软件工具(MM2PC)
功能:参数读写、配置保存、固件升级、实时监控
连接:RS232/485 转换器
适用:Windows 系统,免费提供
关键问题
问题 1:MM2 相比传统电机继电器,核心优势是什么?
答案:核心优势是一体化集成,将过载、接地、堵转、欠压、热敏、不平衡等全套保护 +13 种启动器控制+实时监测+Modbus 通信整合在一台设备中;支持可编程 I/O、欠压自启动、掉电热记忆、用户自定义内存,精度更高(RMS 采样)、保护更全、可远程监控,大幅降低 MCC 布线与维护成本。
问题 2:MM2 的接地故障保护有哪两种接入方式,分别适用什么场景?
答案:
5A 次级 CT / 残差接法:适用于常规接地系统,灵敏度 5% 电机 CT,成本低、通用性强。
50:0.025 高灵敏零序 CT:适用于高阻接地系统,可检测0.1A级小电流接地,绝缘早期预警,避免误跳。
问题 3:MM2 的 Modbus 通信最多可连接多少台?支持哪些核心操作,如何保证通信稳定?
答案:
最多32 台设备菊花链连接,通信距离4000 英尺。
核心操作:读写设定值、读取实值、远程启停、复位跳闸、回路测试。
稳定措施:屏蔽线单端接地、终端 120Ω 电阻 + 1nF 电容、正确极性、避免星型接线、波特率匹配。
