Moog G77X/-77X 系列高性能流量控制伺服阀
产品定位与结构
G77X/-77X 是穆格工业级两级式流量控制伺服阀,采用闭中心四通滑阀主级 +对称双喷嘴挡板先导级,由双气隙干式力矩电机驱动,悬臂弹簧实现阀芯位置机械反馈,结构坚固、寿命长、可靠性高。
适用场景:高精度电液位置、速度、压力、力闭环控制系统
防爆版本:通过FM、ATEX、CSA、TIIS、IECEx认证,可用于危险场所
型号与安装规格
型号 安装标准 最大流量 接口孔径
G771/771 ISO 10372-02-02-0-92 17 l/min 4.85 mm
G772/772 ISO 10372-03-03-0-92 57 l/min 6.63 mm
G773/773 穆格专属 63 l/min 7.92 mm
核心性能参数
液压参数
最大工作压力:210 bar(3000 psi)(P/A/B/T 口通用)
额定压降:35 bar / 阀芯台肩
额定流量:4、10、19、38、57 l/min
内泄量:最大1.9 l/min(零重叠)
油液:DIN 51524/ISO 11158 液压油
粘度:10~97 mm²/s(推荐),5~1250 mm²/s(允许)
动态 / 静态指标
阶跃响应(0~100% 行程):4 / 4 / 4 / 10 / 17 ms
阈值:≤0.5% 额定信号
滞环:≤3.0% 额定信号
温漂(ΔT=38℃):≤2.0% 额定信号
环境与机械
工作温度:-40 ~ +135 ℃
存储温度:-40 ~ +60 ℃
抗振动:30 g,10~2000 Hz
抗冲击:30 g,3 轴
重量:0.86 kg
密封:FKM(Viton B)90 Shore

电气参数
线圈规格:H 型 (±15mA)、L 型 (±40mA)
线圈接法:单线圈 / 串联 / 并联
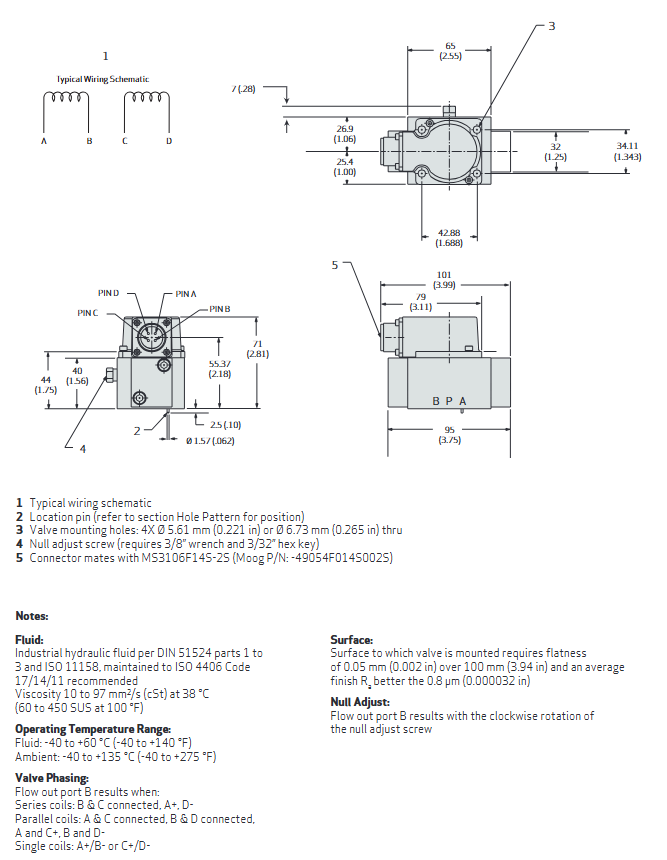
标准接头:4 针 MS3106F14S-2S
功耗:0.023 ~ 0.128 W
工作原理
电气信号输入→力矩电机带动电枢 / 挡板偏转
喷嘴挡板压差变化→驱动主阀芯移动
阀芯带动反馈弹簧产生力平衡→阀芯稳定在对应开度
输出流量与输入电信号成正比,实现精确流量控制
调节与安装
零位调节:机械偏心套调节,范围 **±10%** 额定流量,需 3/8"扳手 + 3/32" 内六角
流量公式:Q = QN × √(ΔP/ΔPN)
阀芯形式:标准轴切、正重叠、负重叠可选
安装面平面度:≤0.05 mm/100mm,粗糙度Ra≤0.8μm
维护与储存
常规维护:每6 个月或4000 小时更换滤芯,全行程动作测试
储存条件:-40~60℃、湿度 < 65%、防尘防振、真空包装
储存超 5 年需返厂检测,超 10 年必须检测
配套与订购
配件:安装螺栓、冲洗板、匹配接头、伺服放大器
订购码包含:型号、流量、压力、阀芯、先导、接头、密封、信号等
优选型号:G771-3001A/3002A、G772-3003A/3004A、G773-3005A
