MTS Temposonics® R-Series磁致伸缩绝对式非接触位移传感器
核心技术原理
磁致伸缩效应:
核心部件为波导丝(Waveguide)与外置永久磁铁
电流脉冲在波导丝产生磁场,与磁铁磁场相互作用生成应力脉冲
应力脉冲以约 2780m/s匀速传播,通过时间差计算绝对位置
特点:非接触、无磨损、绝对测量、上电即读、免回零
产品结构系列(5 大类)
型号 结构类型 量程 防护 典型应用
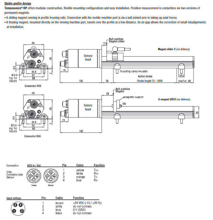
RP 型材式 50–5000mm IP65 外置通用机械
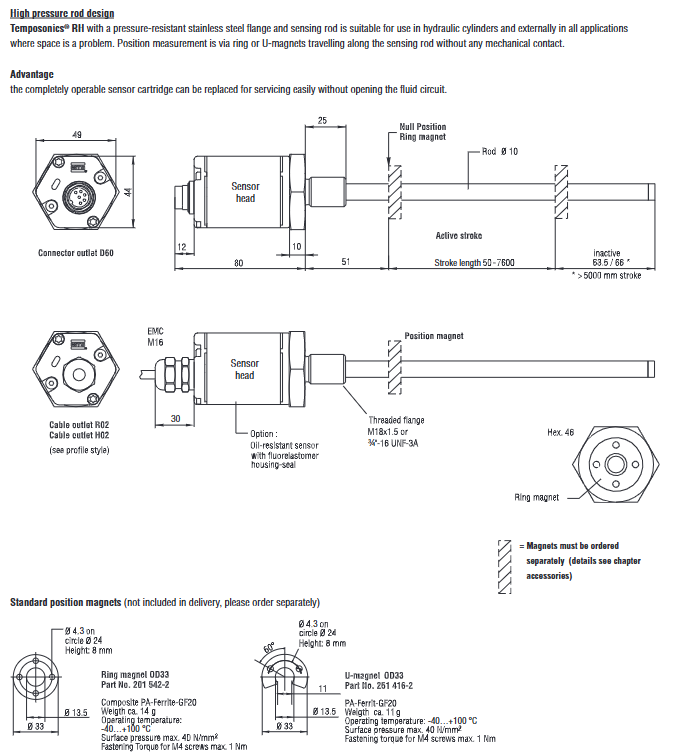
RH 杆式(耐压) 50–7600mm IP67 液压气缸内置
RF 柔性杆 100–20000mm IP30 (装配后 IP65) 长行程、曲线安装
RD4 紧凑型杆 25–5000mm IP67 狭小空间液压缸
RS 全不锈钢 50–7600mm IP68/IP69K 高压、冲洗、腐蚀环境
电气输出接口
模拟量(Analog)
信号:0–10V、-10–+10V、4–20mA
分辨率:1μm,线性度 **≤0.01% FS**
支持:双磁铁、位置 + 速度输出
SSI
同步串行接口,二进制 / 格雷码
分辨率0.5μm,支持同步 / 异步模式
CANbus
支持CANopen、CANbasic
最多20 个磁铁同时测量
Profibus-DP
波特率12Mbps,从站设备
最多20 个磁铁
EtherCAT
100Mbps,分布式时钟
最多20 个磁铁,支持位置 + 速度
Profinet
工业以太网,RT 实时
最多19 个磁铁

关键性能指标
量程:25mm ~ 20000mm(RF 系列)
分辨率:最高0.5μm
线性度:≤±0.01%FS
重复精度:≤±0.001%FS
响应时间:0.5ms ~ 5ms(随量程变化)
工作温度:-40℃ ~ +75℃
防护等级:RP=IP65;RH=IP67;RS=IP68/IP69K
耐压:液压杆式350bar,峰值700bar
供电:24VDC(-15%/+20%)
抗冲击:100g;抗振动:15g/10~2000Hz
安装与维护亮点
RH/RD4 内置油缸:传感器芯体可单独更换,不破油压
磁铁无供电,非接触感应,无磨损
支持现场编程:零点、量程、方向、滤波可调
双磁铁 / 多磁铁同步测量
可加装浮球实现液位 / 界面测量
配件与认证
磁铁配件
环形、U 型、滑块、浮球
工作温度:-40℃~+100℃
编程工具
手持编程器、柜式编程器、USB 编程器
总线地址设置工具(Profibus/CANopen)
权威认证
ISO9001、CE、UL
ATEX/IECEx/UL防爆认证(Zone 2/22)
典型应用
液压伺服气缸、注塑机、压铸机
冶金设备、木工机械、包装机械
液位测量、界面测量(双浮球)
防爆场合(气体 / 粉尘)
