ABB S500 系列分布式自动化 I/O 硬件技术手册
ABB S500 系列分布式自动化 I/O 硬件技术手册 聚焦PROFIBUS-DP 协议的远程 I/O 模块系统,涵盖总线模块、扩展模块、扩展盒三类核心硬件,明确了各模块的型号参数、安装规范、接线方法、参数配置及故障诊断,支持最高 12 Mbit/s 传输速率,适配 - 25℃~+75℃存储环境与 0℃~+55℃工作环境,通过 DIP 开关设置站地址(1-125),可灵活组合实现数字 / 模拟量的输入输出功能,为工业自动化分布式控制提供稳定可靠的硬件解决方案。
核心优势
模块化设计:支持总线模块、扩展模块、扩展盒灵活组合,适配不同 I/O 需求。
高兼容性:符合 EN 50170 标准,支持 1.5~12 Mbit/s 传输速率,兼容多种工业场景。
完善的防护与诊断:具备反极性保护、短路保护,LED 指示灯实时反馈状态,支持诊断数据上传。
硬件分类及核心参数
(一)总线模块
型号 传输速率 I/O 配置 核心特性
DX 501-DP 1.5 Mbit/s 8DI+8DO 基础款总线模块,支持扩展 7 个模块
DX 502-DP 12 Mbit/s 8DI+8DO 高速款,适配大数据量传输场景
(二)扩展模块
类型 型号 核心配置 关键参数
数字 I/O DX 511 8DI+8DO 输入延迟 0.1~32ms,输出单通道 0.5A
数字输入 DI 511 16DI 输入电流 5mA / 通道,支持 2 线制接近开关
数字输出 DO 511 16DO 模块总电流 8A,开关频率≤100Hz(电阻负载)
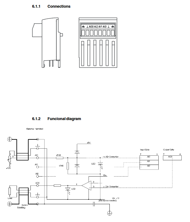
模拟 I/O AX 511 4AI+4AO 分辨率 11~12 位,输入范围 ±10V/±20mA/4~20mA
模拟输入 AI 511 4AI 采样时间≤2ms / 通道,测量误差≤±0.4% FS
模拟输入 AI 512 8AI 与 AI 511 参数一致,通道数量翻倍
(三)扩展盒
型号 配置 关键特性
AX 501 3AI+1AO 8 位分辨率,转换时间 1.64ms
DI 501 4DI 2 线制连接,输入延迟典型 3ms
DO 501 8DO 单通道 0.1A,支持 Interfast 板连接

安装与接线规范
(一)安装要求
固定方式:支持 DIN 导轨(35×7.5/15mm)或螺丝固定,接地电阻≤0.5Ω。
安装间距:水平安装时,电缆槽与模块间距≥20mm,垂直安装需加机械限位。
安装顺序:先固定端子块→用扁平电缆互连→插入电子模块→接线。
(二)接线参数
端子类型 线径范围(实心) 线径范围(多股) 剥线长度 拧紧扭矩
螺丝端子 0.2~4mm² 0.22~2.5mm² 7.5mm 0.4~0.6Nm
弹簧端子 0.12~2.5mm² 0.12~2.5mm² 6mm -
(三)电源与防护
电源要求:额定 24V DC,允许范围 19.2~30V DC,纹波≤5%,具备反极性二极管保护。
熔丝配置:端子模块内置 8A 快熔熔丝(5×20mm),用于过载 / 短路防护。
环境防护:工作温度 0~+55℃,存储温度 - 25~+75℃,防护等级 IP20。
配置与诊断
(一)地址与参数配置
站地址:通过 DIP 开关设置,范围 1~125,仅上电时读取。
系统配置:支持最多 7 个扩展模块 + 1 个扩展盒,输入 / 输出数据量各最大 128 字节。
软件配置:需使用对应 GSD 文件(DX 501-DP 对应 ABB_9521.GSD,DX 502-DP 对应 ABB_9520.GSD)。
(二)LED 指示灯诊断
LED 名称 状态 含义
Pw(电源) 亮 系统电源正常
BY(Busy) 闪 扩展模块数量超限或数据容量超标
OF(输出故障) 亮 输出短路、过载或负载电源缺失
Err(错误) 闪 系统配置错误或模块故障
(三)故障处理
常见故障:PROFIBUS 通讯超时、参数配置不匹配、输出短路、电源缺失。
诊断数据:模块会向 DP 主站发送 19 字节诊断消息,包含故障类型、通道信息等。
恢复方式:故障排除后断电重启,或通过主站软件重置配置。
关键限制与注意事项
模块数量限制:每个总线模块最多连接 7 个扩展模块,避免超出 E-Bus 容量。
线缆要求:PROFIBUS 电缆需符合 EN 50170 标准,特性阻抗 135~165Ω,线径≥0.64mm。
信号隔离:模块间无通道隔离,模拟量信号需用屏蔽电缆,屏蔽层单点接地。
