Siemens SITOP UPS1600/UPS1100:面向工业自动化的高可靠性直流不间断电源系统
在工业自动化领域,供电的连续性与稳定性是保障生产线、控制系统及关键数据设备无间断运行的根本。西门子SITOP家族中的UPS1600直流不间断电源(DC-UPS)模块与UPS1100电池模块,共同构建了一套高效、智能且易于集成的24V DC不间断供电解决方案。该系统专为缓冲SITOP系列24V负载电源的输出电流而设计,额定电流覆盖10A、20A至40A,并可通过智能电池管理支持高达40A的不同断输出。
系统核心架构与产品概览
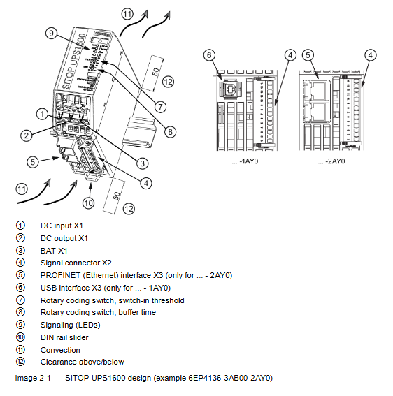
SITOP UPS1600作为系统的核心控制单元,是一款紧凑型内置设备,可安装于TH35-15/7.5标准导轨(EN 60715)。它并非传统意义上的AC-UPS,而是针对工业直流母线设计的缓冲模块。其输入直接连接至前端24V DC电源(如SITOP PSU8200等)的输出,负载接于其输出端,而UPS1100电池模块则连接至专用的BAT端子。当输入电压跌落或失效时,系统能在毫秒级内切换至电池供电,保障负载持续运行。
UPS1100电池模块作为能量存储单元,提供从1.2 Ah到12 Ah多种容量选择,采用免维护的铅酸胶体电池或5 Ah容量的LiFePO4电池。其内部集成了监控电路板,通过Energy Storage Link——一条独立的两线通信链路——与UPS1600进行数据交换。这种设计使得UPS1600能自动识别并联的电池类型(最多6个同型号模块),并选择最优的温度控制充电曲线,从而极大延长电池寿命。该链路还持续监控电池就绪状态、供电电缆(断线检测)及充电状态(电压、电流),每20秒检查一次连接,每4小时(默认)自动执行一次带载测试。
突出的技术特性与性能优势
高动态过载能力:为满足PLC、工业PC等负载的瞬时高启动电流需求,UPS1600具备卓越的过载性能。可在30ms内承受高达300% 的额定电流,或在每分钟内承受150% 额定电流长达5秒,确保在缓冲模式下也能顺利启动大型负载。
智能电池管理与诊断:系统自动识别SITOP UPS1100电池模块的额定参数,实现温度补偿充电,并监控其健康状态。所有诊断数据和报警信息可通过USB、集成Web服务器或PROFINET/Ethernet接口获取。对于非编码的第三方电池,虽然诊断功能受限,但仍可使用。
灵活的参数配置与运行模式:
切换阈值与缓冲时间:设备正面设有两个旋转编码开关,可硬件设定电池切入电压(21.0V - 25.0V)和缓冲时间(30秒 - MAX)。对于带接口的型号(-1AY0带USB,-2AY0带PROFINET),开关提供REN位置,允许通过软件(如TIA Portal或SITOP UPS Manager)进行更精细的设置。
多种 jumper 配置:通过信号连接器(X2)上的跳线,可实现丰富功能:
ON/OFF(引脚9-10):使能或禁止缓冲模式。出厂时跳线已接,缓冲允许。也可用外部浮动触点(电阻<10Ω)替代,实现远程控制。
INTERRUPT(引脚13-10):使能输出电压中断功能。当设定缓冲时间结束且输入电压已恢复时,输出会中断一个可设时间(默认5秒,带接口设备可调),用于复位连接的PC/设备。
START(引脚14-10):实现“电池启动”功能。在无输入电压时,通过一个按钮短接此路,可命令UPS从电池启动,例如用于启动发电机。
充电电流设置(引脚10/11/12):针对非编码电池,可通过跳线组合设定充电电流大小。
丰富的状态指示与继电器输出:设备配备8个LED指示灯,分别显示运行模式(OK/BAT)、电池充电状态(>85%)、缓冲就绪(ALARM)、电池故障等。此外,提供三个继电器触点:REL1指示正常/缓冲模式,REL2指示缓冲就绪/报警,REL3(常开)指示所选缓冲时间可实现或充电状态>85%。
强大的通信与集成能力:
PROFINET/Ethernet接口(-2AY0):集成双端口交换机,支持PROFINET IO(符合IEC 61158)和标准TCP/IP通信。支持通过STEP 7(TIA Portal或经典版)进行硬件组态、参数设置、数据循环/非周期交换及诊断。
USB接口(-1AY0):用于连接PC,运行西门子提供的免费SITOP UPS Manager软件进行配置、监控和数据分析。
集成Web服务器:无需额外软件,通过网页浏览器即可远程访问,查看实时数据、报警历史、趋势图,并进行用户管理(V2.1及以上版本支持HTTPS和写访问)。出厂时Web服务器默认未激活(V2.1起)。

无缝集成于工业自动化生态系统
SITOP UPS1600的设计充分体现了“全集成的自动化”理念。
TIA Portal集成:从TIA Portal V13(配合HSP)或通过安装GSD文件(TIA Portal V12),UPS1600可直接出现在硬件目录中。用户可以像配置其他PROFINET设备一样,将其拖入网络视图,分配控制器,并轻松组态电池模块。所有参数(如缓冲时间、切换阈值、充电参数、Web服务器设置)均可在设备属性中集中配置,并下载到设备。
SITOP UPS Manager软件:这款运行于Windows XP/7的免费软件提供了更强大的本地监控与管理功能。它支持通过USB或Ethernet连接,实现:
全面的设备参数配置与固件更新。
基于事件(如电源故障、缓冲时间不足、电池需更换)触发自定义应用程序(如关闭计算机、发送邮件/SMS)。
直观的趋势图显示,展示负载电流、输入电压、剩余缓冲时间等参数的变化历史。
主-从操作:在以太网连接下,可配置一台PC为主站,管理网络中其他作为从站的PC,实现网络内设备的协调关机。
OPC UA服务器功能(V4.71起):为标准化的、跨平台的数据访问提供了非专有接口,便于与更高层级的MES或SCADA系统集成。
与SIMATIC STEP 7经典版集成:对于使用STEP 7 V5.4及以上的用户,通过安装GSD文件,同样可以将UPS1600集成到PROFINET IO系统中进行配置、参数分配和诊断。
工程设计、安装与维护要点
安全与规范:手册开篇即强调,设备必须由合格人员按照相关文档和安全规程操作。安装须符合DIN/VDE或当地规范(如EN 50272-2)。输入24V电源必须符合SELV标准(EN60950-1)。
安装与接线:
UPS1600:标准安装位置为垂直,端子朝下,以确保散热。上下需保持至少50mm间距。电源端子(IN, OUT, BAT)支持不同线径(如10/20A型号支持0.2-6mm²),需使用耐温至少90℃的电缆(符合UL508时)。
UPS1100:支持壁挂或导轨安装(部分型号)。安装于控制柜最凉快位置(如下部)。连接电池模块时,需确保功率线(X1)和通信线(X2)正确连接,且并联的电池模块型号、状态尽量一致。
维护:电池为免维护设计,但有一定寿命(约20°C下4年)。SITOP UPS1100提供了便捷的电池更换流程:打开盖板,长按更换按钮2秒以上(LED闪烁),取出保险丝,更换同型号电池,再次长按按钮确认,装回保险丝即可。系统会自动重置相关的运行计时器和计数。
技术数据与环境适应性
该系统展示了坚固的工业级设计:
高效率:满载效率高达97.5%-98.5%,功率损耗低。
高MTBF:在40°C、额定负载、24小时运行条件下,平均无故障时间超过320,000小时。
宽环境范围:UPS1600工作温度-25°C ~ +70°C(自然对流,70°C时需降额),存储温度-40°C ~ +85°C。UPS1100电池模块工作温度通常为0°C ~ +40°C(部分新版支持-15°C ~ +50°C)。
海拔影响:在2000米以上运行时,每升高1000米,输出电流需降额7.5%,或环境温度需降低5K。
认证齐全:具备CE、cULus、ATEX/IECEx防爆(II 3G Ex nA nC IIC T4 Gc)、CB、GL船级社等多项国际认证。
强电磁兼容性:符合EN 61000-6-2(工业环境抗扰度)和EN 61000-6-3(住宅区发射)标准,具备良好的ESD、EFT、Surge抗扰能力。
