Watlow DIN-A-MITE® Style C 固态功率控制器
产品概述与基础参数
1. 核心定位与适用范围
产品类型:Watlow DIN-A-MITE® Style C 固态功率控制器,用于精准控制电阻性加热器负载,支持工业场景温度调节。
电压与电流:
电压范围:120-600VÅ(ac),细分三个区间(表 1);
电流切换能力:30-80A(依型号,如 DC11/12/13 为 75A,DC31/32/33 为 55A)。
电压区间 适用输入控制类型 电压范围(VÅ(ac))
24-48V C、F、K 型 20(最小)-53(最大)
120-240V C、F、K、L、P、S 型 48(最小)-265(最大)
277-600V C、F、K、L、P、S 型 85(最小)-660(最大)
2. 结构与控制模式
结构类型:支持单相 1 腿、三相 2 腿、三相 3 腿、2 独立分区、3 独立分区(型号首段数字标识,如 1 = 单相,8=2 分区);
控制模式(表 2):
控制模式 适用场景 关键特点
过零触发(可变时基) 需延长加热器 / SCR 寿命 自动调节时基,减少加热元件伸缩(如 20% 功率:3 周期开 12 周期关)
相角控制(含限流) 单相精准调压 / 限流需求 正弦波内无极调节,含 5 秒软启、线电压补偿
单周期可变时基(VTBS) 功率频繁切换场景 50% 功率时 1 周期开 1 周期关,≤50% 不连续开超 1 周期
关键技术参数
1. 电气性能参数
最大浪涌电流:1350A 峰值(持续 16.6 毫秒);
最大 I2t 值(熔断器选型):9100A²s;
维持电流 / 锁定电流:最小200mA/500mA;
风扇电流:24Vdc 时 0.14A、120Vac 时 0.12A、240Vac 时 0.06A;
关态泄漏电流:≤1mA(25℃/77°F);
功率损耗:1.2W / 每安培 / 每受控腿;
SCCR 等级:200KA(Type 1/2,需配合推荐熔断器)。
2. 环境与认证参数
工作环境:0-90% RH(无冷凝),存储温度 **-40~+85℃(-40~185°F)**,绝缘测试高度≤3000 米;
认证:
电磁兼容:CE(EN 61326 工业抗扰度 A 级,需外部滤波器)、ROHS;
安全认证:UL®50 Type 4X 外壳、UL® ANSI/ISA 12.12.01 T4A 温度代码、UL®508 列出(文件 E73741);
环境适应性:冲击(IEC 60068-2-32)、振动(IEC 60068-2-6)测试通过。


安装与接线规范
1. 安装方式与要求
DIN 导轨安装:
导轨规格:DIN EN 50022 35×7.5mm;
夹持距离:34.8-35.3mm(1.37-1.39in);
散热要求:散热片需垂直安装,两侧预留≥102mm(4.0in)通风空间。
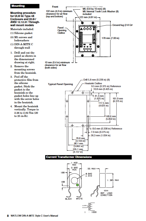
穿墙式安装(UL 50):
配件:含 1 个硅胶垫片、8 个 M5 螺丝 + 防松垫圈;
开孔尺寸:需按图纸钻 178mm×122mm(7.00in×4.81in)孔,散热片垂直安装,扭矩 2.26-2.82Nm(20-25in-lb)。
2. 接线要求
端子规格(表 3):
端子类型 线径范围 扭矩要求 剥线长度
输入端子 0.2-1.5mm²(24-16AWG) 0.5Nm(4.4in-lb) 5.5mm(0.22in)
线 / 负载 / 接地端子 2.5-25mm²(14-3AWG) 2.7Nm(24in-lb) 11mm(7/16in)
特殊注意事项:
线 / 负载端子需在安装 48 小时后复紧,且每 3-6 个月复紧一次,减少导线冷流;
交流输入型(K 型)不可与带 RC 缓冲电路的温度控制器共用,需移除 RC 缓冲电路;
多分区接线(8/9 型):2 分区独立控制单相加热器,3 分区需注意中线电流不超过 80A。

报警功能与操作
1. 报警类型与触发条件
SCR 短路报警(仅过零型,无 L/P 相角型):
触发:输入指令关闭时,电流互感器检测到≥10A 负载电流(5A 需 2 匝,2.5A 需 3 匝);
输出:非锁定,双向晶闸管 24-240Vac 输出,25℃时最大 300mA。
加热器开路报警(仅 S 型输入控制):
触发:输入指令开启时,负载电流低于报警阈值;
校准:将温度控制器设为 “全开”,调节电位器至报警灯从常亮转为常灭,避免误报。
2. 相角限流调节步骤
在负载线安装钳形电流表;
将限流电位器逆时针调至最小(最小电流);
开启温度控制器,设输入信号为 0% 功率,再给功率控制器上电;
逐步增大输入信号,顺时针调节限流电位器至负载电流可测(Zone3 指示灯亮,全功率时灯灭);
输入信号调至 100%,微调电位器至目标最大电流。
选型与配件
1. 型号编码规则(示例:DC10-24C0-S000)
第 1 段(DC):产品系列(DIN-A-MITE C);
第 2 段(10):相位(1 = 单相)+ 冷却 / 电流(0 = 自然对流);
第 3 段(24):电压(24=120-240Vac);
第 4 段(C0):输入控制(C0=4.5-32Vdc 接触器);
第 5 段(S000):报警(S=SCR 短路报警)+ 语言(0 = 英语)+ 定制(00 = 标准)。
2. 熔断器推荐(表 4,半导体熔断器)
熔断器额定电流 Watlow 型号 Bussman 型号 Watlow 支架型号 Ferraz 支架型号
30A 17-8030 FWP30A14F 17-5114 USM141i
40A 17-8040 FWP40A14F 17-5114 USM141i
63A 17-8063 FWP63A22F 17-5122 US221i
80A 17-8080 FWP80A22F 17-5122 US221i
