Woodward EM-80/EM-300 全电动执行器系统 技术规格与应用
产品核心定位与应用
适用场景:主要用于大型柴油 / 燃气 / 汽油发动机、涡轮机,控制燃料齿条位置、涡轮可变几何结构及正时功能。
核心优势:无机械传动或液压供油需求,采用三相无刷交流电机 + 精密行星齿轮箱,定位精准、响应迅速。
关键规格参数
(1)执行器核心参数(EM-80 vs EM-300)
项目 EM-80 EM-300
持续输出扭矩 91 N·m(67 lb-ft) 260 N·m(192 lb-ft)
峰值输出扭矩(1 秒) 190 N·m(140 lb-ft) 429 N·m(316 lb-ft)
10-90% 无载 slew 时间 78 ms 192 ms
输出行程 0-40°(无内部机械限位) 0-40°(无内部机械限位)
重量(含支架) 35 kg(77 lb) 38 kg(84 lb)
工作温度 0-85℃(环境) 0-85℃(环境)
存储温度 -30-100℃ -30-100℃
(2)驱动器核心参数
电源:三相 400-480 Vac(50-60 Hz),支持单相 230 Vac 冗余供电(仅应急使用);控制电源 24 V±10%(最大 55 W)。
信号接口:控制输入 4-20 mA,位置输出 1-5 V。
环境适应性:工作温度 0-55℃,相对湿度≤85%(无凝露),防护等级 IP20,安装海拔≤2000 m。
物理特性:重量 3.8 kg,需安装在控制柜内,不可直接装于发动机。

核心功能与配置
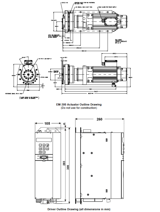
结构设计:执行器配备 ISO 9409 输出法兰,便于杠杆安装与更换;自带安装支架,减少运行应力;含分离式限位器,防止超行程。
通用兼容性:EM-80 与 EM-300 共用一款驱动器,仅需通过软件配置区分型号。
辅助配置:含位置传感器线缆(驱动器与执行器最大间距 100 m),可选 EMI 滤波器抑制电磁辐射(IT 接地系统不推荐)。
合规与认证
欧洲合规:符合低电压指令(2014/35/EU)、EMC 指令(2014/30/EU),带 CE 标志。
海事认证:通过 ABS(2015 钢船规则)、BV(钢船分类规则)、LR(船级社认证)、RMRS(俄罗斯海事认证)。
特性
执行器输出为ISO 9409法兰。这使得杠杆的安装变得容易,从而简化了更换。每个执行器的输出法兰相对于支架底座的方向都是相同的。此外,执行器配备了分离止动器,可防止执行器在设置过程中超过最大输出行程范围。输出位置指示器是标准配置。
EM-80和EM-300系统包括一个带孔图案的安装支架。支架设计可确保将致动器中的应力降至最低。执行器规格和性能基于包括支架在内的安装。
执行器配备有飞线位置传感器电缆(包括连接器)。连接执行器和驱动器的位置传感器电缆可用。该电缆与EM-80和EM-300相似。
EM-80和EM-300都使用单个EM驱动器。只有每个执行器系统的软件设置不同。监测、报警和诊断可用。
提供EMI电源滤波器以抑制发射。
